Căutarea a găsit 141 rezultate
- Sâm Feb 11, 2017 4:38 pm
- Forum: Alte electrocasnice
- Subiect: Bioptron Pro1
- Răspunsuri: 4
- Vizualizări: 11187
Re: Bioptron Pro1
este cumva asta
- Sâm Feb 11, 2017 4:21 pm
- Forum: Alte electrocasnice
- Subiect: Bioptron Pro1
- Răspunsuri: 4
- Vizualizări: 11187
Re: Bioptron Pro1
Nu aici este pe picior 3 integrat
- Sâm Feb 11, 2017 4:12 pm
- Forum: Alte electrocasnice
- Subiect: Bioptron Pro1
- Răspunsuri: 4
- Vizualizări: 11187
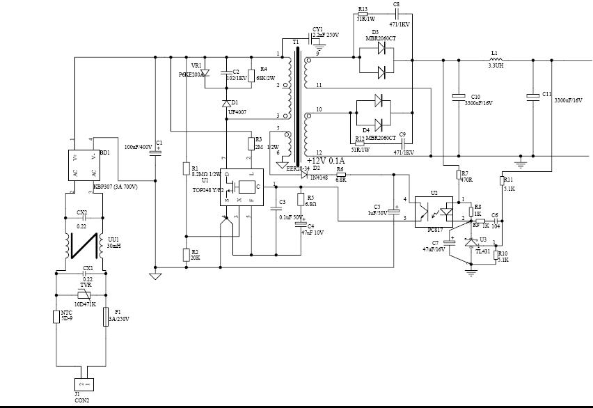
Bioptron Pro1
Salut am acest aparat de terapie cu bec 12v 50w cu urmatorul defect am gasit pocnit integratul pe alimentare top248yn am dat sal schimb dar pe piciorul 3 sau x al integratului care duce la masa lipseste un rezistor am gasit a fi de 20kom dar nu sunt sigur si nu vreau sa ard integratul ca ma costat 8...
- Mar Sep 23, 2014 7:26 pm
- Forum: Radio , TV si video
- Subiect: tv nordmende model: galaxy36a
- Răspunsuri: 5
- Vizualizări: 4956
Re: tv nordmende model: galaxy36a
Am rezolvat ceva dar am alta problema se deschide dar asa.
- Mar Sep 23, 2014 3:43 pm
- Forum: Radio , TV si video
- Subiect: tv nordmende model: galaxy36a
- Răspunsuri: 5
- Vizualizări: 4956
tv nordmende model: galaxy36a
Salut.Am acest tv cu urmatorul defect il pornesc merge 5 secunde si intra in stby daca ii scot deflexia functioneaza corect un sfat va rog.Multumesc. 
- Lun Sep 08, 2014 7:10 pm
- Forum: Radio , TV si video
- Subiect: tv nippon model mtv-2170
- Răspunsuri: 2
- Vizualizări: 3231
tv nippon model mtv-2170
Salut.Am acest tv cu defectul cind am cind nu am culori se vede alb negru imi da cineva un sfat?Multumesc.
- Dum Iul 27, 2014 5:08 pm
- Forum: Radio , TV si video
- Subiect: Tv Teletech
- Răspunsuri: 15
- Vizualizări: 13211
Re: Tv Teletech
Am schimbat baleajul vertical si tot dunga am ce mai poate fi dus?
- Dum Iul 27, 2014 12:53 pm
- Forum: Radio , TV si video
- Subiect: Tv Teletech
- Răspunsuri: 15
- Vizualizări: 13211
Re: Tv Teletech
tda8174aw este ars vreau sa pun in locul lui tda8174a trebuie pusa folie pe radiator sau merge fara?Multumesc.
- Dum Iul 06, 2014 3:08 pm
- Forum: Radio , TV si video
- Subiect: arctic model 29fsp
- Răspunsuri: 1
- Vizualizări: 2579
arctic model 29fsp
Salut.Am acest tv cu tubul spart a fost scapat jos si placa este in stare de functiune tubul este de Samsung A68QCP993X011 am alta carcasa cu tubul A51EJJ04X01 ma poate ajuta cineva?Multumesc.
- Dum Iun 01, 2014 1:48 pm
- Forum: Radio , TV si video
- Subiect: tv panasonic sasiu 11ak30
- Răspunsuri: 1
- Vizualizări: 2470
tv panasonic sasiu 11ak30
Salut.Am acest tv cu urmatorul defect,cind il deschid am dunga pe orizontala ca si cum ar fi dus baleajul dar daca il las mai mult incepe sa se deschida imaginea usor va rog mult un sfat . Va multumesc.
- Mie Apr 23, 2014 3:09 pm
- Forum: Radio , TV si video
- Subiect: Tv Teletech
- Răspunsuri: 15
- Vizualizări: 13211
Tv Teletech
Salut.Am avut acest tv cu defectul nu aveam inalta deloc am schimbat c619 100nf\250v si merge dar se incinge bu808dfi de ia foc un sfat va rog este sasiu 11ak30.Multumesc.
- Vin Feb 14, 2014 2:24 pm
- Forum: Radio , TV si video
- Subiect: LA78040
- Răspunsuri: 2
- Vizualizări: 3394
LA78040
Salut.Ar merge in locul lui LA78040 AN5522 asta il am deocamdata echivalentele le stiu dar nu am ajuns sa le iau.Multumesc.
- Lun Dec 23, 2013 6:04 pm
- Forum: Radio , TV si video
- Subiect: Sony model KV-X25TU
- Răspunsuri: 2
- Vizualizări: 3426
Sony model KV-X25TU
Salut.Am gasit ars la acest tv pe alimentare bu 2sd1548lb l-am inlocuit cu S2000AF dar dupa un timp mil dezlipeste de pe cablaj.As putea pune unul dintre acestea doua 2sd1432 sau 2sc5148?Multumesc.
- Joi Mai 23, 2013 7:58 pm
- Forum: Alte electrocasnice
- Subiect: Whirlpool AWO/D63135
- Răspunsuri: 122
- Vizualizări: 182191
Re: Whirlpool AWO/D63135
B indicatorul service.
- Joi Mai 23, 2013 7:11 pm
- Forum: Alte electrocasnice
- Subiect: Whirlpool AWO/D63135
- Răspunsuri: 122
- Vizualizări: 182191
Whirlpool AWO/D63135
Salut.Am aceasta masina cu defectul se aprinde ledul service si pe afisaj electronic imi apare F;12 ce ar putea avea.Un sfat va rog.Multumesc.