tv daewoo cp-375
-
mariustefan
- Utilizator nou
- Mesaje: 69
- Membru din: Sâm Mar 17, 2012 9:17 am
tv daewoo cp-375
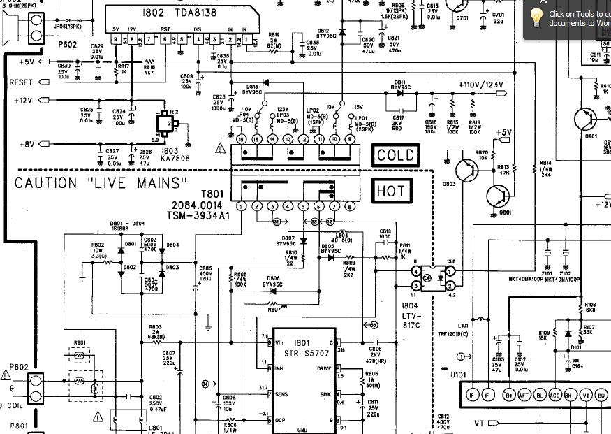
am un tv daewoo , cu sasiul cp-375, cu sursa str-s5707,care nu porneste,practic nu clipeste ledul,e stins ,am tensiune pe(str) pin 1 =300v,pe pin 9 =5v,deci pe HOT ar fi tensiuni, dar pe COLD ,nu am nici macar tensiunea de 5v.....va rog putin ajutor, unde sa caut?
Re: tv daewoo cp-375
Daca nu este un scurt in secundar insemna ca probabil trebuie schimbat str-ul.
A se verifica electroliticii de pe langa el.
Schema este atasata, trebuie descarcate ambele arhive ca sa mearga.
A se verifica electroliticii de pe langa el.
Schema este atasata, trebuie descarcate ambele arhive ca sa mearga.
- Fişiere ataşate
-
- DAEWOO_CP-375[1].part2.RAR
- (123.85 KiB) Descărcat de 481 ori
-
- DAEWOO_CP-375[1].part1.RAR
- (1.95 MiB) Descărcat de 465 ori
-
mariustefan
- Utilizator nou
- Mesaje: 69
- Membru din: Sâm Mar 17, 2012 9:17 am
Re: tv daewoo cp-375
1.eu nu pot intelege decat pe jumatate , cum ia nastere :) tensiunea de 5v pentru start!,
2.condensatori de langa str i-am verificat, scurt in secundar nu ar fi, probabil undeva e un scurt, sau str-ul e intrerupt?
va rog o explicatie la punctul 1., si ce ar trebui sa mai verific ?, str-ul e scump si mai e si slab calitativ,trebue sa caut pana sunt siigur de unul bun! multumesc!
2.condensatori de langa str i-am verificat, scurt in secundar nu ar fi, probabil undeva e un scurt, sau str-ul e intrerupt?
va rog o explicatie la punctul 1., si ce ar trebui sa mai verific ?, str-ul e scump si mai e si slab calitativ,trebue sa caut pana sunt siigur de unul bun! multumesc!
- nicumicu
- Electronist avansat
- Mesaje: 438
- Membru din: Mar Iun 12, 2012 10:41 am
- Localitate: Bacau
- Contact:
Re: tv daewoo cp-375
Salut,verifica condesatorii C807 ,808 si 811 ,rezistenta R 803(devalorizata)si diodele D805 ,806 si 807 cu un piciorus in aer.succes
- Fişiere ataşate
-
- IMG_0003.jpg (65.66 KiB) Vizualizat de 10183 ori
Ultima oară modificat Sâm Iul 14, 2012 10:47 pm de către nicumicu, modificat 1 dată în total.
Esecul este oportunitatea de a lua lucrurile de la inceput, intr-un mod mai inteligent
Re: tv daewoo cp-375
Tensiunea 5v apare pe pinul 9 al ci802 (TDA8138) in urma functionarii corecte a sursei.
- nicumicu
- Electronist avansat
- Mesaje: 438
- Membru din: Mar Iun 12, 2012 10:41 am
- Localitate: Bacau
- Contact:
Re: tv daewoo cp-375
Tensiunea 5v apare pe pinul 9 al CI : STR-S5707
- Fişiere ataşate
-
- IMG.jpg (52.4 KiB) Vizualizat de 10181 ori
Esecul este oportunitatea de a lua lucrurile de la inceput, intr-un mod mai inteligent
Re: tv daewoo cp-375
S-ar parea ca nu discutam pe aceeasi schema. Cea atasata de mine are sursa ca in poza. Poate ne lumineaza @mariustefan care este cea buna.
- nicumicu
- Electronist avansat
- Mesaje: 438
- Membru din: Mar Iun 12, 2012 10:41 am
- Localitate: Bacau
- Contact:
Re: tv daewoo cp-375
Este aceeasi schema dar prezinta si partea interna a STR-S5707,fiind necesara in cazul verificarii acestuia si eventuala inlocuire a tranzistorului defect din integrat conform atasamantului IMG_0003.
Esecul este oportunitatea de a lua lucrurile de la inceput, intr-un mod mai inteligent
-
mariustefan
- Utilizator nou
- Mesaje: 69
- Membru din: Sâm Mar 17, 2012 9:17 am
Re: tv daewoo cp-375
multumesc mult! acum trec la treaba ! am ceva de lucru.
cand am un rezultat revin.
o zi buna tuturor!
cand am un rezultat revin.
o zi buna tuturor!
-
mariustefan
- Utilizator nou
- Mesaje: 69
- Membru din: Sâm Mar 17, 2012 9:17 am
Re: tv daewoo cp-375
schema postata este buna, doar ca in tv lipseste ic 804 (optocuplorul)ADMIN scrie:S-ar parea ca nu discutam pe aceeasi schema. Cea atasata de mine are sursa ca in poza. Poate ne lumineaza @mariustefan care este cea buna.
am masurat rezistente si diode, si conzi...sunt toate bune, probabil...tda 8138, sau str-s5707,defect, intrerupt,scurt nu este.
doresc ,o lamurire, daca intrerup toate iesirile din secundarul sursei ,adica scot un pic al diodelor:d811;d812;d813, si str-ul ar fi bun si toate piesele din primar,ar fi bune; ar trebui sa am pe dioda d813 ,(daca ii las cond.)=10 pana la 20 volti,necesari pentru tda8138
-
mariustefan
- Utilizator nou
- Mesaje: 69
- Membru din: Sâm Mar 17, 2012 9:17 am
Re: tv daewoo cp-375
practic am verificat tot din primarul sursei, am inlocuit si cond.toti,nu am niciun rezultat,in secundar zero.... deci sa fie str-ul de vina?
- nicumicu
- Electronist avansat
- Mesaje: 438
- Membru din: Mar Iun 12, 2012 10:41 am
- Localitate: Bacau
- Contact:
Re: tv daewoo cp-375
Masoara si posteaza tensiunile care sunt in primarul sursei.STR -ul l-ai masurat dupa tabel?Eu folosesc acel tabel cand e o situatie ca asta.
Esecul este oportunitatea de a lua lucrurile de la inceput, intr-un mod mai inteligent
-
mariustefan
- Utilizator nou
- Mesaje: 69
- Membru din: Sâm Mar 17, 2012 9:17 am
Re: tv daewoo cp-375
am masurat cu aparatul digital pe scara de masurat semiconductori, e cateva deosebiri fata de schema, dar cu mavo-35, mi sa parut pe dos cumva ,cu bornele inversate, si nu am luat in considerare,
am masurat tensiunile si sunt:
pe pin 1=325v ; pin2=1,2mv ; pin3=23,5mv; pin4=56,3mv ; pin5=3mv ; pin6=1,9mv ; pin7=0,67v ; pin8=53,3mv ; pin9=4,4v.
deci nu sunt deloc ca in schema, deaceea zic ca e strul defect, astept si o comfirmare ,poate imi scapa ceva!
ms! noapte buna!
am masurat tensiunile si sunt:
pe pin 1=325v ; pin2=1,2mv ; pin3=23,5mv; pin4=56,3mv ; pin5=3mv ; pin6=1,9mv ; pin7=0,67v ; pin8=53,3mv ; pin9=4,4v.
deci nu sunt deloc ca in schema, deaceea zic ca e strul defect, astept si o comfirmare ,poate imi scapa ceva!
ms! noapte buna!
- nicumicu
- Electronist avansat
- Mesaje: 438
- Membru din: Mar Iun 12, 2012 10:41 am
- Localitate: Bacau
- Contact:
Re: tv daewoo cp-375
Daca afisai masuratorile pe integrat i-ti spuneam in ce stare este integratul.Masoara pinul 9 cu pinii 2 si 7 (izolati de cablaj )in ambele sensuri si posteaza rezultatul.Daca prezinta rezistenta mica fata de pin 2 atunci e nevoie de alt STR-S 5707 .Daca da ca in tabel vezi ce tensiune cade pe D806 eventual inlocuieste-o cu BYV95C,BY258 ,BY202 , 1N4937 sau SY345/8K.Verifica R804.
Esecul este oportunitatea de a lua lucrurile de la inceput, intr-un mod mai inteligent
-
mariustefan
- Utilizator nou
- Mesaje: 69
- Membru din: Sâm Mar 17, 2012 9:17 am
Re: tv daewoo cp-375
postez masuratorile din acel tabel,1.instrument digital mastech MS8209 pe scara semiconductori,=mv, integratul scos de pe placa;pentru infinit pun =&
9-2 =& si 540v ;8-2 =& si 843v ;5-2= & si & ;9-7 =& si & ;7-2 =& si &; 6-2 =& si 840v ; 4-2 & si 514v, deci asta cu multimetrul MASTECH MS8209
acum ceva mai aproape de tabel, masuratori facute cu multimetrul DT9205A :
9-2 =& si 576 ; 8-2 = & si 1059 ; 5-2= & si & ;9-7 =& si &; 7-2 =& si 1834 ;6-2 =1662 & 1160 ;4-2 = & si 532
o sa revin si cu masuratorile facute cu mavo-35 , si cu alte detalii
ms pentru ajutor!
deci cu integratul scos de pe placa, nu spune daca sa il scot sau nu ,dar daca il lasam montat, toate masuratorile erau aiurea,interveneau cateva rezistente,...acum cu mavo-35 :
9-2= 7k si22k ;8-2 = 10k si 46k ; 5-2=17k si 17k ;9-7 =32k si50k ; 7-2 =15k si 19k ; 6-2 = 10k si14k ;4-2 =7k si &
aceste masuratori sunt facute cum zic ei, dar mi se pare ca au incurcat borna plus, prima cred ca e in dreapta - si a- doua in stanga!
9-2 =& si 540v ;8-2 =& si 843v ;5-2= & si & ;9-7 =& si & ;7-2 =& si &; 6-2 =& si 840v ; 4-2 & si 514v, deci asta cu multimetrul MASTECH MS8209
acum ceva mai aproape de tabel, masuratori facute cu multimetrul DT9205A :
9-2 =& si 576 ; 8-2 = & si 1059 ; 5-2= & si & ;9-7 =& si &; 7-2 =& si 1834 ;6-2 =1662 & 1160 ;4-2 = & si 532
o sa revin si cu masuratorile facute cu mavo-35 , si cu alte detalii
ms pentru ajutor!
deci cu integratul scos de pe placa, nu spune daca sa il scot sau nu ,dar daca il lasam montat, toate masuratorile erau aiurea,interveneau cateva rezistente,...acum cu mavo-35 :
9-2= 7k si22k ;8-2 = 10k si 46k ; 5-2=17k si 17k ;9-7 =32k si50k ; 7-2 =15k si 19k ; 6-2 = 10k si14k ;4-2 =7k si &
aceste masuratori sunt facute cum zic ei, dar mi se pare ca au incurcat borna plus, prima cred ca e in dreapta - si a- doua in stanga!
Ultima oară modificat Lun Iul 16, 2012 9:45 pm de către mariustefan, modificat 1 dată în total.