defect monitor LCD DELL E172FPb

Comunitatea depanatorilor TV incepatori sau avansati
ionutz1985
Mester
Mesaje: 190
Membru din: Mar Noi 15, 2011 10:19 pm

defect monitor LCD DELL E172FPb

Mesaj necitit de ionutz1985 »

bunaseara tuturor. ma puteti sa ma ajutati cu manual service la acest monitor?
Avatar utilizator
PETRE
Site Admin
Mesaje: 4187
Membru din: Sâm Iun 18, 2011 8:38 pm

Re: defect monitor LCD DELL E172FPb

Mesaj necitit de PETRE »

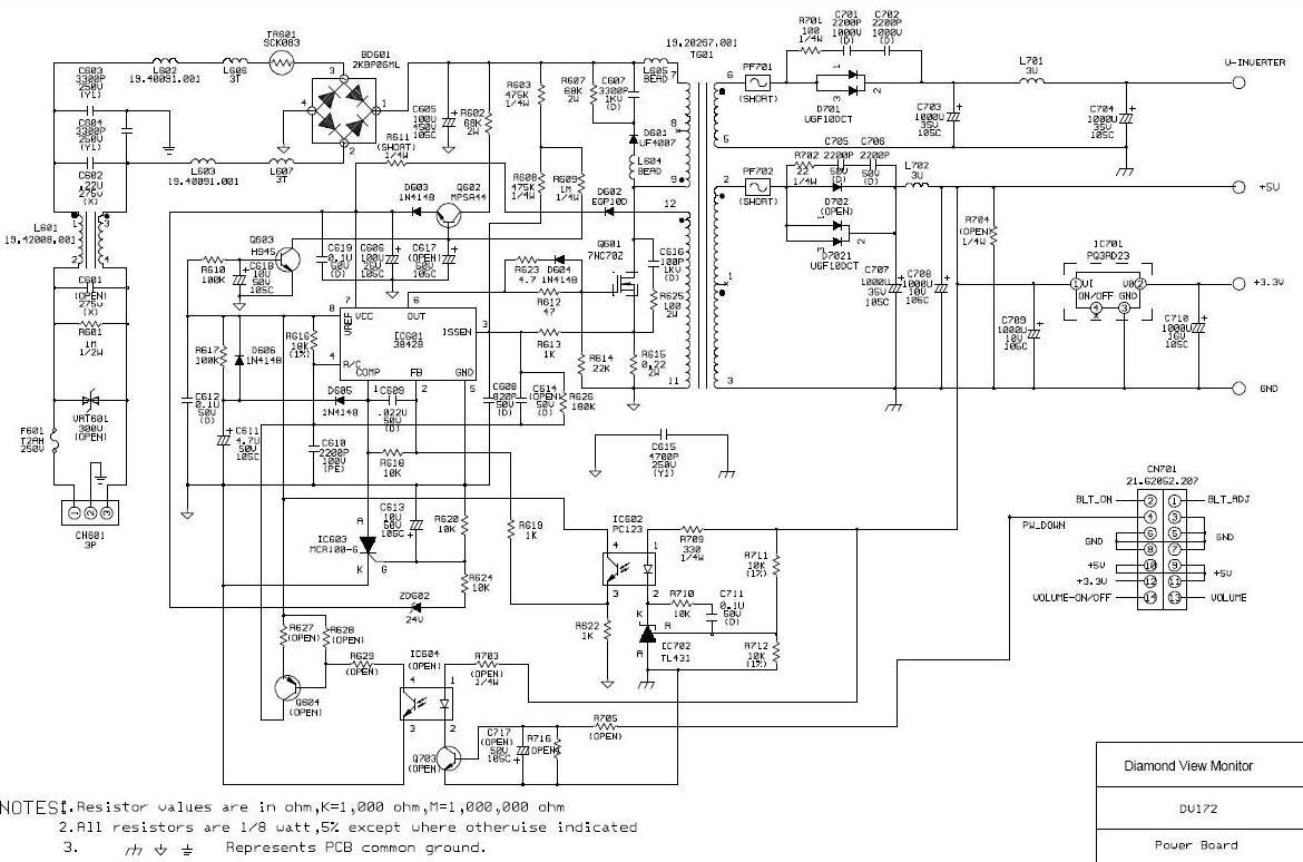
Atasez schema Dell E173FP....sper sa ajute.
In imagine este schema sursei Dell E172FP.
Succes.
Fişiere ataşate
dell E173FP.rar
(1.08 MiB) Descărcat de 249 ori
uc3842-dell_e172fpb_power_supply.jpg
Scrie răspuns