probleme samsung CK 5061 alimentare

Comunitatea depanatorilor TV incepatori sau avansati
paul967
Utilizator nou
Mesaje: 2
Membru din: Mie Ian 30, 2013 10:47 pm

probleme samsung CK 5061 alimentare

Mesaj necitit de paul967 »

Am un samsung CK 5061 şasiu p68 ,şi nu se mai alimenteaza .Am verificat majoritatea pieselor din sursă iar pe colectorul tranzistorului mare cel de pe radiator nu am tensiune.Care ar fi cauza?
Avatar utilizator
PETRE
Site Admin
Mesaje: 4187
Membru din: Sâm Iun 18, 2011 8:38 pm

Re: probleme samsung CK 5061 alimentare

Mesaj necitit de PETRE »

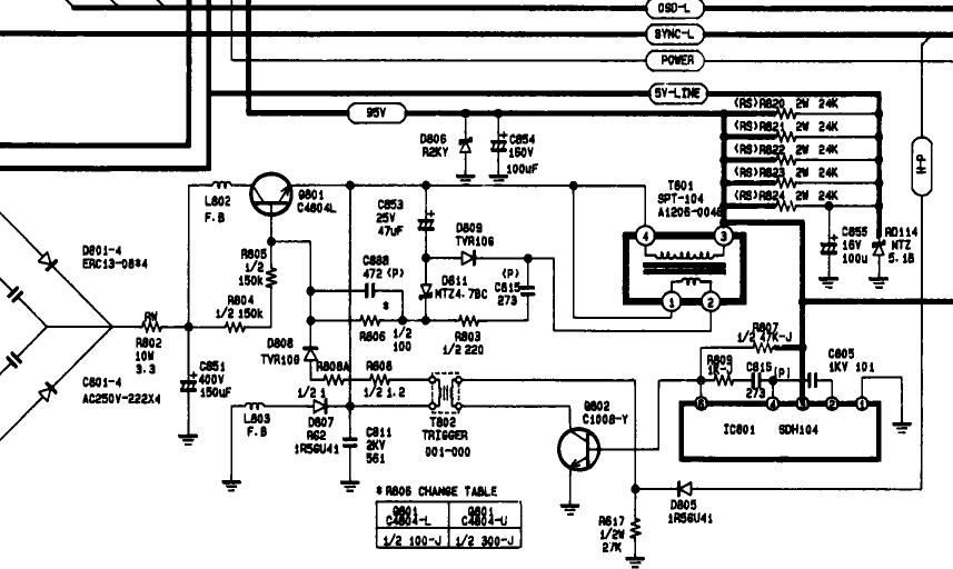
Schema aici: http://www.fileshare.ro/e28913687
Verifica la intrare pana la condensatorul de dupa puntea redresoare....trebuie sa ai pe el cam 300v.
Avatar utilizator
ANDRASONI
moderator
Mesaje: 1325
Membru din: Mie Oct 12, 2011 11:33 am
Localitate: CLUJ-NAPOCA
Contact:

!

Mesaj necitit de ANDRASONI »

"Cercetati" cu atentie schema, si daca aveti cunostintele necesare o sa vedeti unde "dispare" tensiunea de pe colectorul tranzistorului de putere din sursa.Posibil sa aveti rezistenta serie pe bara de +300V, intrerupta(chiar daca siguranta este OK), caz in care tranzistorul este clar "sarma".Aveti grija in acst caz cu ce il inlocuiti(similar sau perfect compatibil.Dupa care faceti ce v-a spus d-l administrator.Succes!
"In timp ce faptele sunt rigide,adevarul este flexibil."Edward A.Murphy
paul967
Utilizator nou
Mesaje: 2
Membru din: Mie Ian 30, 2013 10:47 pm

Re: probleme samsung CK 5061 alimentare

Mesaj necitit de paul967 »

Până la dioda din faţa tranzistorului am 300v , Dioda răspunde la măsurătoare conform schemei.În spatele tranzistorului este un chopper care are pinul 4 legat de colector,unde am observat că la pinul 7 intră 300v dar la pinul 4 nu are nimic schema arată că pinul 7 este legat de 4 şi tot aşa la măsurare îmi indică continuitate şi aici m- am blocat
Avatar utilizator
PETRE
Site Admin
Mesaje: 4187
Membru din: Sâm Iun 18, 2011 8:38 pm

Re: probleme samsung CK 5061 alimentare

Mesaj necitit de PETRE »

Uite schema sursei...ar trebui sa ajute.
Fişiere ataşate
P64SA sursa.JPG
Scrie răspuns