Va rog sa-mi dati si mie o schema pt tv saba M5109, chassiu SC 09/TX 90. Nu o gasesc pe internet!
Multumesc.
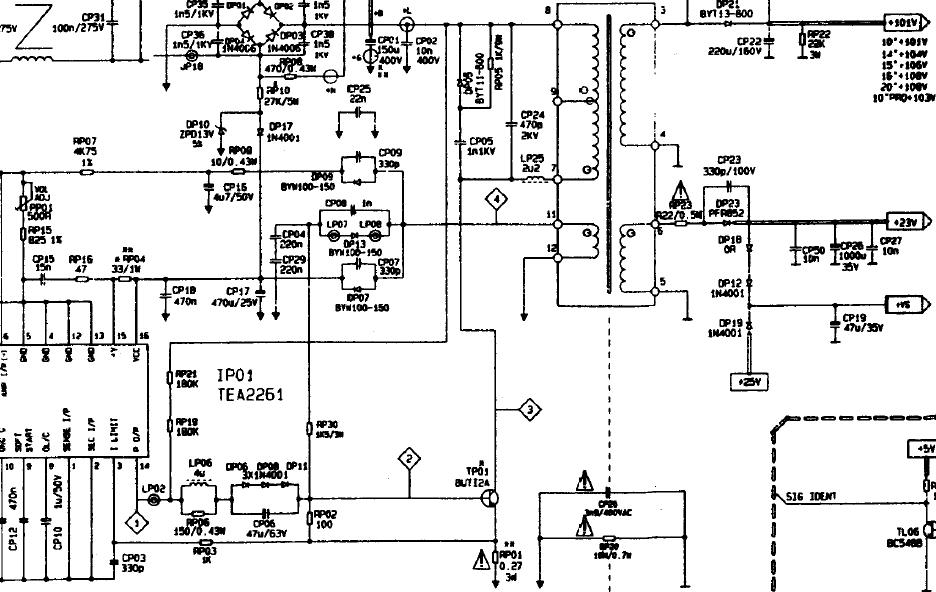
Tv Saba M5109
Re: Tv Saba M5109
Sper sa se poptriveasca...
- Fişiere ataşate
-
- thomson tx90.rar
- (511.66 KiB) Descărcat de 296 ori
Re: Tv Saba M5109
Multumesc mult pt schema se potriveste. In legatura cu sursa de alimentare a tv-ului am gasit finalul ars BUT 12A impreuna cu siguranta si cu R 4,7 Omi 10W arse. Le-am schimbat si tot imi arde singuranta.
Re: Tv Saba M5109
vezi si puntea redresoare
Re: Tv Saba M5109
Am masurat puntea e buna, dar nu pot sa-mi dau seama cand scot finalul merge cum il pun pocneste rezistenta de 4,7 omi si sig. Finalul bun
Re: Tv Saba M5109
Verifica tot pe langa BUT....in circuitul de colector cat si cel de baza (in special RP02).
Re: Tv Saba M5109
Salut am rezolvat problema era un banal condesator de 470p/2kv(cp24), culmea ca la capacimetru era bun ,dar cand il montam imi ardea siguranta. mersi mult de indicatii
Re: Tv Saba M5109
Trebuie sa cumparati un ESR-metru pentru condensatoare!! Ala nu mai da ''rateuri'' sigur!!!! 
Arbeit macht frei