echivalente LA78040

Comunitatea depanatorilor TV incepatori sau avansati
morocanosul
Mester
Mesaje: 261
Membru din: Lun Mar 26, 2012 10:20 am

echivalente LA78040

Mesaj necitit de morocanosul »

dati-mi va rog niste echivalente la LA78040 (BV) si daca nu sunt compatibile pin cu pin,va rog sa specificati!Mercy anticipat!
Avatar utilizator
PETRE
Site Admin
Mesaje: 4187
Membru din: Sâm Iun 18, 2011 8:38 pm

Re: ecivalente LA78040

Mesaj necitit de PETRE »

Echivalente directe: TDA78040= STV9379FA,TDA8170,TDA8172,TDA9302,STV9302
Recomand TDA8172.
electronistul
Utilizator nou
Mesaje: 11
Membru din: Lun Aug 06, 2012 11:36 pm

Re: echivalente LA78040

Mesaj necitit de electronistul »

Salut,
Am un televizor echipat cu STV9302 iar imaginea arata asa:
http://i34.tinypic.com/16ba32s.jpg
Mentionez ca am schimbat C302 si C303 de langa STV9302 (banuiesc zona lui si pe el ca fiind defectul).
Tensiunea este corecta:25V , masurata .
Sasiu TV2KY .
http://oi35.tinypic.com/29sxac.jpg
Avatar utilizator
PETRE
Site Admin
Mesaje: 4187
Membru din: Sâm Iun 18, 2011 8:38 pm

Re: echivalente LA78040

Mesaj necitit de PETRE »

Nu este din cadre.....sursa produce corect toate tensiunile?
Avatar utilizator
ANDRASONI
moderator
Mesaje: 1325
Membru din: Mie Oct 12, 2011 11:33 am
Localitate: CLUJ-NAPOCA
Contact:

Re: echivalente LA78040

Mesaj necitit de ANDRASONI »

TDA8170 nu este echivalent cu TDA8172(structura interna difera),celelalte sunt corecte.
"In timp ce faptele sunt rigide,adevarul este flexibil."Edward A.Murphy
electronistul
Utilizator nou
Mesaje: 11
Membru din: Lun Aug 06, 2012 11:36 pm

Re: echivalente LA78040

Mesaj necitit de electronistul »

Tensiuni am :
125 , 27 , 18 , 20 (V) .
petre67

Re: echivalente LA78040

Mesaj necitit de petre67 »

Iata si un dump de memorie pentru sasiul TV2KY.
Fişiere ataşate
SITRONICS STV1402N chassis TV2KY.rar
(322 Bytes) Descărcat de 385 ori
electronistul
Utilizator nou
Mesaje: 11
Membru din: Lun Aug 06, 2012 11:36 pm

Re: echivalente LA78040

Mesaj necitit de electronistul »

Momentan nu pot sa reprogramez memoria(nu am PC , am laptop).
La ce altceva sa fiu atent pana incerc cu alta memorie goala?
Avatar utilizator
PETRE
Site Admin
Mesaje: 4187
Membru din: Sâm Iun 18, 2011 8:38 pm

Re: echivalente LA78040

Mesaj necitit de PETRE »

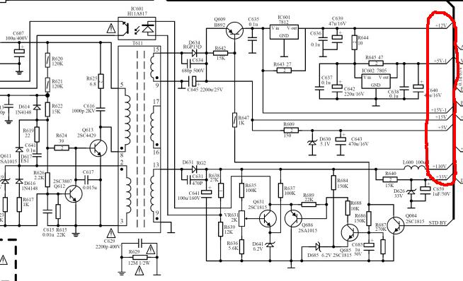
Era vorba de tensiunile incercuite in poza. Atentie si la electroliticii din imagine si nu numai.
Fişiere ataşate
tensiuni TV2KY.JPG
electronistul
Utilizator nou
Mesaje: 11
Membru din: Lun Aug 06, 2012 11:36 pm

Re: echivalente LA78040

Mesaj necitit de electronistul »

Fac lista si merg la magazin sa cumpar electroliticii.
Masuratorile le-am facut cu tv-ul in priza si pornit .
Schimb si condensatorii nepolarizati de langa traful de linii .
Sonor are, canalele si volumul le schimba din telecomanda .
Avatar utilizator
PETRE
Site Admin
Mesaje: 4187
Membru din: Sâm Iun 18, 2011 8:38 pm

Re: echivalente LA78040

Mesaj necitit de PETRE »

Daca tu crezi ca rezolvi tv-uri schimband tot o sa ai o mare deziluzie. Prima data trebuie sa ai tensiunile perfecte, apoi trebuie rescrisa memoria....se poate face si cu laptop-ul dar iti trebuie programator
electronistul
Utilizator nou
Mesaje: 11
Membru din: Lun Aug 06, 2012 11:36 pm

Re: echivalente LA78040

Mesaj necitit de electronistul »

Nu ma astept sa rezolv doar schimband condensatorii.
Cumpar mai multe componente ca sa le am la indemana ,sa nu fac mai multe drumuri .
Unele componente le schimb preventiv , ca sa exclud alte probleme .
Avatar utilizator
ANDRASONI
moderator
Mesaje: 1325
Membru din: Mie Oct 12, 2011 11:33 am
Localitate: CLUJ-NAPOCA
Contact:

Re: echivalente LA78040

Mesaj necitit de ANDRASONI »

Sincer, mi se pare cam 'la plezneala"...,n-am prea vazut o logica clara la ceea ce ati facut.Va trebuie clar un inscriptor,un stoc minimal de condensatori(nu sa mergeti la magazin si sa luati trei condensatori)..., si apoi sa schimbati condensatorii nepolarizati..., "preventiv", se pare ca aveti mult timp la dispozitie.OFF!
"In timp ce faptele sunt rigide,adevarul este flexibil."Edward A.Murphy
Încuiat