Metoda depanare sursa sasiu TV2K
-
petre67
Metoda depanare sursa sasiu TV2K
Aceasta sursa este intalnita pe mai toate tv-urile China-Lituania gen Zander s.a.
Capul rautatilor in acesta sursa este Q611 (2sa1015) care este bine a fi schimbat (chiar si preventiv) cu 2SA1013.
In tv-ul defect se descopera umflarea sau chiar craparea condensatorilor electrolitici din secundarul sursei datorita supravoltarii, impuscarea celerlalti tranzistori din primar, diode optocuplor si nu in ultimul rand se impusca si finalul audio din aceiasi cauza (supravoltarea).
Cea mai simpla metoda de depanare ar fi modificarea folosind sursa universala UPS001 care se gaseste pe net la numai 15 lei, schimbandu-i in pralabil cei trei electrolitici cu unii de calitate si eliminand din montajul tv-ului C626, apoi de intrerupe traseul la pinul 1 trafo Cloper. Se elima deasemenea si R620
Pentru orice problema legata de acesta sursa aplicati intrebari aici.
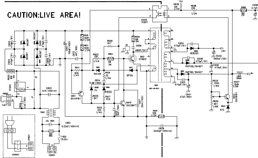
Schema sasiului TV2K este atasata.
Capul rautatilor in acesta sursa este Q611 (2sa1015) care este bine a fi schimbat (chiar si preventiv) cu 2SA1013.
In tv-ul defect se descopera umflarea sau chiar craparea condensatorilor electrolitici din secundarul sursei datorita supravoltarii, impuscarea celerlalti tranzistori din primar, diode optocuplor si nu in ultimul rand se impusca si finalul audio din aceiasi cauza (supravoltarea).
Cea mai simpla metoda de depanare ar fi modificarea folosind sursa universala UPS001 care se gaseste pe net la numai 15 lei, schimbandu-i in pralabil cei trei electrolitici cu unii de calitate si eliminand din montajul tv-ului C626, apoi de intrerupe traseul la pinul 1 trafo Cloper. Se elima deasemenea si R620
Pentru orice problema legata de acesta sursa aplicati intrebari aici.
Schema sasiului TV2K este atasata.
- Fişiere ataşate
-
- TV2K.rar
- (132.09 KiB) Descărcat de 502 ori
- ANDRASONI
- moderator
- Mesaje: 1325
- Membru din: Mie Oct 12, 2011 11:33 am
- Localitate: CLUJ-NAPOCA
- Contact:
Re: Metoda depanare sursa sasiu TV2K
Este adevarat ca aceasta sursa nu este chiar cea mai inspirata dintre toate sursele cate s-au folosit pana in prezent( unde sunt sursele cu TDA4601 de altadata?...). Totusi , din experienta , spun ca daca se schimba 2SA1015 cu 2SA1013 si condensatorii din secundarul sursei cu unii de calitate, se poate sa mearga destul de bine. De asemenea la aceste sasie , tranzistorii de pe etajul final video( BF422,BF423) sunt subdimensionati ca si putere( curent Ic), dar daca se schimba cu tranzistori corespunzatori si de calitate, dupa aceea aparatul merge destul de bine... Succes in activitate, putere de munca, de la Cluj, numai bine!
"In timp ce faptele sunt rigide,adevarul este flexibil."Edward A.Murphy
Re: Metoda depanare sursa sasiu TV2K
A-ti uitat de semireglabilul din sursa de 2kohmi (de calitate foarte proasta ) : se recomanda schimbarea din start !!!
Si recomand inserierea alimentarii finalului sunet cu un stabilizator gen 7812 !
Si recomand inserierea alimentarii finalului sunet cu un stabilizator gen 7812 !
- ANDRASONI
- moderator
- Mesaje: 1325
- Membru din: Mie Oct 12, 2011 11:33 am
- Localitate: CLUJ-NAPOCA
- Contact:
Re: Metoda depanare sursa sasiu TV2K
Nu am uitat...Doar am mentionat care sunt defectele cele mai frecvente la aceasta sursa. Am facut suficiente ca sa stiu cam ce probleme au. De la Cluj, numai bine!dana2 scrie:A-ti uitat de semireglabilul din sursa de 2kohmi (de calitate foarte proasta ) : se recomanda schimbarea din start !!!
Si recomand inserierea alimentarii finalului sunet cu un stabilizator gen 7812 !
"In timp ce faptele sunt rigide,adevarul este flexibil."Edward A.Murphy
Re: Metoda depanare sursa sasiu TV2K
Nu m-am referit la dv. -Am zis in general >>un defect de care m-am lovit de cateva ori !! :(ANDRASONI scrie:Nu am uitat...Doar am mentionat care sunt defectele cele mai frecvente la aceasta sursa. Am facut suficiente ca sa stiu cam ce probleme au. De la Cluj, numai bine!dana2 scrie:A-ti uitat de semireglabilul din sursa de 2kohmi (de calitate foarte proasta ) : se recomanda schimbarea din start !!!
Si recomand inserierea alimentarii finalului sunet cu un stabilizator gen 7812 !
-
servicemariusvad
- Utilizator nou
- Mesaje: 19
- Membru din: Mie Noi 20, 2013 4:30 pm
Re: Metoda depanare sursa sasiu TV2K
buna am si eu zander ft 2101 care imi da batai de cap, am schimbat ups01 care era deja montat cu unul nou (c626 si r620 erau prezente in montaj) am schimbat diode care erau puscate, tv pornea dupa cca 3 secunde am umblat la reglaj din ups si bum sa ars r 636 am inlocui rezistenta am reglat ups la 125 v pr rezistenta si BUM sa ars ups, la schimbare ups am schimbat si condesatori, ce sfat imi dati momentan nu am al ups
multumesc
multumesc
Re: Metoda depanare sursa sasiu TV2K
sa inteleg ca este vorba despre UPS001 ?....in acest caz R636 nu mai este necesara. Dupa ce montezi alta sursa dai finalul linii jos si pui bec in locul lui pentru efectuarea reglajului.
- ANDRASONI
- moderator
- Mesaje: 1325
- Membru din: Mie Oct 12, 2011 11:33 am
- Localitate: CLUJ-NAPOCA
- Contact:
Re: Metoda depanare sursa sasiu TV2K
"buna am si eu zander ft 2101 care imi da batai de cap, am schimbat ups01 care era deja montat cu unul nou (c626 si r620 erau prezente in montaj) am schimbat diode care erau puscate, tv pornea dupa cca 3 secunde am ars ups, la schimbare ups am schimbat si condesatori, ce sfat imi dati momentan nu am al ups
multumesc"'
Ca o concluzie;schimbarea modificarii si inlocuirea sursei originale cu UPS001 nu este "o metoda de depanare", mai degraba seamana cu altceva si nu trebuie sa mai intrebam nu stiu unde.Sursa reparata merge fara probleme cel putin un an...
"momentan nu am al ups"-nici nu va trebuie! 
multumesc"'
"In timp ce faptele sunt rigide,adevarul este flexibil."Edward A.Murphy
-
servicemariusvad
- Utilizator nou
- Mesaje: 19
- Membru din: Mie Noi 20, 2013 4:30 pm
Re: Metoda depanare sursa sasiu TV2K
tv acesta avea montata up001 si a functionat 3 ani sa ars ups01 diode si sigurante care au fost inlocuite,
vroiam sa specific si faptul ca acest sasiu a functionat si in prezenta lui c 624 si r620 apoi daca se elimina r636 tv este mort. o sa incerc depanarea lui ca la origini
vroiam sa specific si faptul ca acest sasiu a functionat si in prezenta lui c 624 si r620 apoi daca se elimina r636 tv este mort. o sa incerc depanarea lui ca la origini
-
servicemariusvad
- Utilizator nou
- Mesaje: 19
- Membru din: Mie Noi 20, 2013 4:30 pm
Re: Metoda depanare sursa sasiu TV2K
scuze era vb de c626
Re: Metoda depanare sursa sasiu TV2K
Nu mai posta multiplu.....ai la dispozitie o ora sa-ti modifici postarea.
Succes cu cursa.
Succes cu cursa.
-
servicemariusvad
- Utilizator nou
- Mesaje: 19
- Membru din: Mie Noi 20, 2013 4:30 pm
Re: Metoda depanare sursa sasiu TV2K
mda in caz contrar?? ce derenjeaza asa de tare??? daca citim despre montarea lui ups001 pe acest sasiu, postarea pe care ADMIN ati lasat-o si a fost accesata de 18000 de ori este putin eronata..
astept sa vad ce se intampla peste o ora draga ADMIN.
astept sa vad ce se intampla peste o ora draga ADMIN.
Re: Metoda depanare sursa sasiu TV2K
Nu ai inteles.....in cazul in care gresesti cand postezi poti sa-ti modifici postarea in timp de o ora, asta am vrut sa-ti spun.
Folosirea acestui forum este un privilegiu nu un drept castigat.

Folosirea acestui forum este un privilegiu nu un drept castigat.