TV Sony Trinitron KV 21 FX 30 E
TV Sony Trinitron KV 21 FX 30 E
Buna ziua.Am nevoie de ajutor cu acest TV.Nu porneste,iar ledul de stand-by lumineaza intermitent de 11 ori,un pic de pauza si o ia de la capat.Citind pe net am gasit ca este problema cu o tensiune de 8 V.
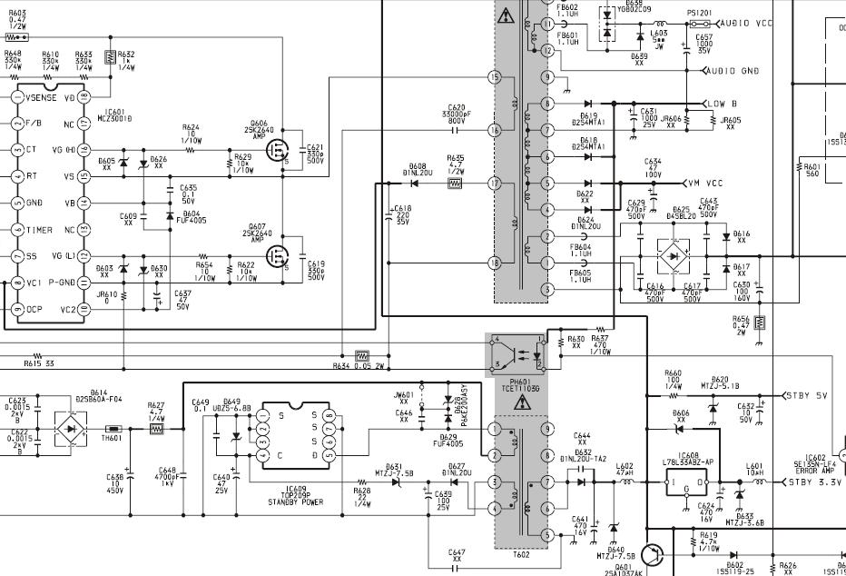
Are sursa echipata cu MCZ 3001 si doi tranzistori.Le-am schimbat pe toate trei dar nici un rezultat.
Releul RY 601 cupleaza,dar dupa vreo 3 secunde decupleaza.In secundarul sursei nu apare nici o tensiune,nici la inceput cat timp releul este cuplat.
Are procesor TDA 9394.
Va rog sa ma ajutati,nu stiu cum functioneaza o astfel de sursa.
Are sursa echipata cu MCZ 3001 si doi tranzistori.Le-am schimbat pe toate trei dar nici un rezultat.
Releul RY 601 cupleaza,dar dupa vreo 3 secunde decupleaza.In secundarul sursei nu apare nici o tensiune,nici la inceput cat timp releul este cuplat.
Are procesor TDA 9394.
Va rog sa ma ajutati,nu stiu cum functioneaza o astfel de sursa.
Re: TV Sony Trinitron KV 21 FX 30 E
posibil un scurt pe bara 8V in secundarul sursei.....verifica pe schema, probabil ai acolo un stabilizator tip LM08....ori este defect ori un scurt dupa el....schema aici: http://elektrotanya.com/sony_kv21fx30_c ... nload.html ...dai clic pe "Get Manual"
sasiu FE2
sasiu FE2
- ANDRASONI
- moderator
- Mesaje: 1325
- Membru din: Mie Oct 12, 2011 11:33 am
- Localitate: CLUJ-NAPOCA
- Contact:
Re: TV Sony Trinitron KV 21 FX 30 E
Verificati IC604(eventual schjmbati-l), de asemenea D609,615,600,607.Vedeti in schema bloc circuitul OCP(over current protection), verificati componentele aferente acestui circuit Cert este ca aceasta tensiune se ramifica in foarte multe directii, deci trebuie sa munciti un pic. Dupa parerea mea, acest sasiu este din generatia sa, cel mai reusit si "aerisit" sasiu conceput de SONY. Integratul MCZ3001D este sigur bun?Succes!
"In timp ce faptele sunt rigide,adevarul este flexibil."Edward A.Murphy
Re: TV Sony Trinitron KV 21 FX 30 E
IC 604 nu este in scurt.Este o diferenta fata de schema.D 609 lipseste ,iar in pin 2 al IC 604 nu intra B+,ci a doua tensiune, de 11 V ,din secundarul sursei.
Sursa asta nu as putea-o proba pe bec,decuplandu-i atat B.O. cat si cealalta bara de consum de 11 V?
Intreb asta deoarece sursa pare moarta.MCZ-ul l-am cumparat nou din magazin,dar in eventualitatea ca ar fi defect puteti sa-mi spuneti ce tensiuni ar trebui sa aibe pe pini?
Multumesc pentru sfaturi.
Sursa asta nu as putea-o proba pe bec,decuplandu-i atat B.O. cat si cealalta bara de consum de 11 V?
Intreb asta deoarece sursa pare moarta.MCZ-ul l-am cumparat nou din magazin,dar in eventualitatea ca ar fi defect puteti sa-mi spuneti ce tensiuni ar trebui sa aibe pe pini?
Multumesc pentru sfaturi.
Re: TV Sony Trinitron KV 21 FX 30 E
Ai 300v pe C606? (dupa puntea redresoare)....daca nu-i ai insemna ca nu functioneaza sursa de st-by (sursa mica) si nu cupleaza releul RY601. Verifica prezenta tensiunii de 5V produsa la pinul 7 al transformatorului T602....fara aceasta tensiune tv-ul este mort.
Re: TV Sony Trinitron KV 21 FX 30 E
Am 300 de V pe C606 si 5 V dupa T602.
Releul RY 601 cupleaza la apasarea pe butonul de pornire si sta asa 3 secunde,dupa care decupleaza.
Chiar si cand releul este cuplat in secundarul sursei cu MCZ am 0 V atat pe bara de 135 V cat si pe cea de 11 V.
Releul RY 601 cupleaza la apasarea pe butonul de pornire si sta asa 3 secunde,dupa care decupleaza.
Chiar si cand releul este cuplat in secundarul sursei cu MCZ am 0 V atat pe bara de 135 V cat si pe cea de 11 V.
Re: TV Sony Trinitron KV 21 FX 30 E
Verifica ohmetric sa nu ai un scurt pe una din barele din secundar, caz in care sursa va intra in protectie.
Re: TV Sony Trinitron KV 21 FX 30 E
Nu am gasit nici un scurt in secundar.
Am decuplat toti consumatorii din secundar si am pus bec pe B+.Sursa e tot moarta.
Saptamana viitoare cand mai am rabdare ma apuc din nou de masuratori in TV.
Am decuplat toti consumatorii din secundar si am pus bec pe B+.Sursa e tot moarta.
Saptamana viitoare cand mai am rabdare ma apuc din nou de masuratori in TV.
Re: TV Sony Trinitron KV 21 FX 30 E
Pe pinul 18 al MCZ-ului ai ceva?.....nu stiu cat ar trebui sa fie dar banuiesc ca sun necesari vreo 10-15V (aceasta fiind tensiunea de start). Dupa primul impuls acesta ar trebui sa se alimenteze in pinul 8 de la pinul 17 ciopar....verifica si D608, R635.
Re: TV Sony Trinitron KV 21 FX 30 E
Pe pinul 18 am 13,3 V fata de masa tv-ului.
In pinul 8 nu am nimic.
R 635 si D 608 sunt bune.
In pinul 8 nu am nimic.
R 635 si D 608 sunt bune.
Re: TV Sony Trinitron KV 21 FX 30 E
Nu masa tv-ului...trebuie fata de masa din primar (ex. pin18 ciopar)
Re: TV Sony Trinitron KV 21 FX 30 E
Fata de masa din primar(- lui C 606) am 315 V aceeasi tensiune ca si pe C606 (In pin 18 al MCZ).
In pin 8 al MCZ am 0 V.
In pin 8 al MCZ am 0 V.
Re: TV Sony Trinitron KV 21 FX 30 E
Eu as incerca si o rescriere a memoriei: http://dump.elektroda.pl/download7511.html
Re: TV Sony Trinitron KV 21 FX 30 E
Imi cer scuze daca va plictisesc cu acest TV.
Nu am aparatura ca sa schimb dumpul memoriei,insa umila mea parere este ca pornirea sursei nu are nicio legatura cu memoria.
Ce am mai gasit masurand la rece este rezistenta interna intre pinii 18-16=38,5 k.ohmi,iar intre pinii 18-15=48,5
k.ohmi(la C.I. MCZ 3001 D).Valorile sunt aceleasi indiferent de sensul masurarii.
Celalalt MCZ pe care l-am scos din circuit,nu indica nici o rezistenta intre acesti pini.
Mie mi se pare suspecta aceasta rezistenta.
D-voastra ce spuneti?
Nu am aparatura ca sa schimb dumpul memoriei,insa umila mea parere este ca pornirea sursei nu are nicio legatura cu memoria.
Ce am mai gasit masurand la rece este rezistenta interna intre pinii 18-16=38,5 k.ohmi,iar intre pinii 18-15=48,5
k.ohmi(la C.I. MCZ 3001 D).Valorile sunt aceleasi indiferent de sensul masurarii.
Celalalt MCZ pe care l-am scos din circuit,nu indica nici o rezistenta intre acesti pini.
Mie mi se pare suspecta aceasta rezistenta.
D-voastra ce spuneti?
Re: TV Sony Trinitron KV 21 FX 30 E
Nici D-zeu nu stie cat trebuie sa indice intre pinii aia.....Da, in aparatura moderna are legatura sursa cu dump-ul (nu am de unde sti 100% ca asta este defectul...eu asa as proceda).
Tv-urile Sony sunt niste aparate greu de reparat chiar si pentru depanatorii experimentati.
Tv-urile Sony sunt niste aparate greu de reparat chiar si pentru depanatorii experimentati.