Defect la sursa la TV ORION
Defect la sursa la TV ORION
Buna ziua ,
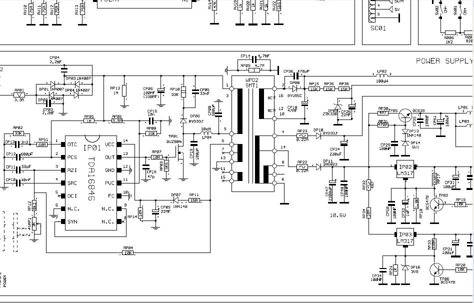
Am in lucru acest TV ORION Model No ;P2066MTS chassis PT90j ,sasiu; 03TA018G ,si este defect la sursa si am gasit defect RP01 si DP04-DP02 am inlocuit sa am pornit TV-ul si ledul rosu sa aprins ,dar semnalizand continu ,am mai schimbat si circuitul din sursa si am verifict si diodele si rezistentile si nu sa gasit nimic defect ,apoi am trcut la masurare . Pe DP08 sunt 59- 62v ,pe DP09 ZTC33 sunt 32,8v ;pe DP 10 sunt 9,6v ;pe LP03 si LP01sunt 2,2-3,2v ,ear pe CP 32 1,2V .Aceste tensiuni sunt foarte mici fata de schema. Asa ca va rog pe dsv foarte frumos cine a intalnit acest defect la aceasta sursa si a rezolvat doresc sa fiu ajutat cu idei de la dvs de a rezolva cu aceasta sursa . Va multumesc
Am in lucru acest TV ORION Model No ;P2066MTS chassis PT90j ,sasiu; 03TA018G ,si este defect la sursa si am gasit defect RP01 si DP04-DP02 am inlocuit sa am pornit TV-ul si ledul rosu sa aprins ,dar semnalizand continu ,am mai schimbat si circuitul din sursa si am verifict si diodele si rezistentile si nu sa gasit nimic defect ,apoi am trcut la masurare . Pe DP08 sunt 59- 62v ,pe DP09 ZTC33 sunt 32,8v ;pe DP 10 sunt 9,6v ;pe LP03 si LP01sunt 2,2-3,2v ,ear pe CP 32 1,2V .Aceste tensiuni sunt foarte mici fata de schema. Asa ca va rog pe dsv foarte frumos cine a intalnit acest defect la aceasta sursa si a rezolvat doresc sa fiu ajutat cu idei de la dvs de a rezolva cu aceasta sursa . Va multumesc
Re: Defect la sursa la TV ORION
Cand gasiti doua diode din punte defecte;automat le schimbati toate patru!!! Pe pinul14 la integrat masurati cu un aparat analogic cat este tensiunea si daca este ...stabila!! Daca ledul fluctueaza ,sigur NU este stabila tensiunea!!! Neaparat schimbat condensatorul CP09(22uF/50V).Decuplati finalul linii,puneti sursa pe bec si vedeti cum se manifesta mai departe!!
Arbeit macht frei
Re: Defect la sursa la TV ORION
Am masurat pe pinul 14 la circuitul din sursa si sunt 5v ,ear acul indicator diviaza in ritmul ledul semnalizand ,ear CP09 sa schimbat din prima data, si diodele din sursa leam schimbat pe toate 4 am mai verificat si TP 02;T001 ;TP 05 sunt bune, finalul linii e dat jos ,si am pus becul si nu se aprinde,dar cand inchid TV-ul de la butonul de la retea ledul rosu mai semnalizeaza de 15 ori asa ceva nu am intalnit !!. Credeti-ma ca nu mai stiu ce sa mai verific la sursa , si nu inteleg de ce sursa nu scoate tensuni normale de fuctionare. Am verificat piesa cu piesa scoasa din montaj si sunt bune conform schimei. Va rog pe dvs si cred ca aveti multa experenta pentru aceasta sursa , si stiu ca este cam complicata dar, cu ajutorul dvs poate o rezolv sa fuctioneze.
V a multumesc .
V a multumesc .
Re: Defect la sursa la TV ORION
Nu mai scrie "ear"....sa scrie si se spune "iar"
Cum adica nu mai stii ce sa-i faci? nu ai terminat toate posibilitatile.....da integratul jos, masoara tot in jurul lui, eventual pune alt integrat. Sa nu ai becul pus cand pornesti sursa. Sa ai cam 300v dupa puntea redresoare. Atasez si schema completa:
Cum adica nu mai stii ce sa-i faci? nu ai terminat toate posibilitatile.....da integratul jos, masoara tot in jurul lui, eventual pune alt integrat. Sa nu ai becul pus cand pornesti sursa. Sa ai cam 300v dupa puntea redresoare. Atasez si schema completa:
- Fişiere ataşate
-
- tv_chassis_pt90j_03ta018g.pdf
- (419.39 KiB) Descărcat de 328 ori
Re: Defect la sursa la TV ORION
Buna ziua,
Domnule admin imi cer scuze de greseala nu am fost atent la scris.
Tensiunea pe CP06 este de 312v ,am verificat R si C smd in montaj cred ca sunt cu valorile normale cum e pe schema am verificat si restul de R -C si diodele, circuitul este probat pe un TV fuctional si nu am probleme cu circuitul ,dar suspectez chopprul sa nu fie in scurt,dar vreau sa fac o modificare sa pun o sursa UPS de proba sau chear sa fuctioneze cu sursa UPS se poate ?? daca da atunci va rog frumos sa notati pe schema ce piese sa suspedez pentru montare sursei UPS.
Va multumesc .
Domnule admin imi cer scuze de greseala nu am fost atent la scris.
Tensiunea pe CP06 este de 312v ,am verificat R si C smd in montaj cred ca sunt cu valorile normale cum e pe schema am verificat si restul de R -C si diodele, circuitul este probat pe un TV fuctional si nu am probleme cu circuitul ,dar suspectez chopprul sa nu fie in scurt,dar vreau sa fac o modificare sa pun o sursa UPS de proba sau chear sa fuctioneze cu sursa UPS se poate ?? daca da atunci va rog frumos sa notati pe schema ce piese sa suspedez pentru montare sursei UPS.
Va multumesc .
Re: Defect la sursa la TV ORION
elimini cei doi condensatori de la capetele inductantei LP04
Re: Defect la sursa la TV ORION
Nu am inteles prea bine sa scot din montaj cei doi condasatori din capetele lui inductantei LP 04 ,ca CP19 si CP08 si atat scot ? si mai cred ca e nacesar sa scot si IP 01 din montaj ca sa montez sursa UPS .
Re: Defect la sursa la TV ORION
Ne repetam de o mie de ori?....da, aceia sunt condensatorii....nu stiu ce-i aia IP01
Re: Defect la sursa la TV ORION
Domnule admin nu sunt orb am vazut bine IP01 este notatia pe sasiu si pe schema de la circuitul din sursa TDA16846P,si doresc sa va uitati pe schema si pe un sasiu apoi sa spuneti ca nu este notat IP01. Daca dvs doriti sa ma ajutati atunci ajutati-ma cu idei bune de rezolvare ,si am sa incerc sa montez o sursa UPS si va dau raspuns daca TV- ul fuctionaza . Va multumesc .
Re: Defect la sursa la TV ORION
Poti sa dai jos si integratul dar nu este musai. Dai jos FET-ul, CP19, CP08....conectezi firul rosu al UPS in locul pinului FET-ului dinspre inductanta LP04 si firul negru la masa....firul verde il elimini. Reglezi tensiunea din trimerul de pe UPS.....de regula vine reglat pe o tensiune mica.
Re: Defect la sursa la TV ORION
Am montat sursa UPS si ledul rosu sa aprins si nu mai semnalizeaza, dar am o alta problema nu face nici o comanda de la butoane sau telecomanda sa plece linile, ledul ramane aprins ,si pe bara B1 sunt 68v si ce mai este de schimbat sa plece linile si TV-ul sa fuctioneze ,o ideie unde sa verific sau sa mai schimb ?va rog frumos .
Re: Defect la sursa la TV ORION
ufffffff.....greu tare, doar ti-am spus.....reglezi tensiunea pe bara B+ din semireglabilul multitura de pe UPS001