Cursa inversa cadre

Comunitatea depanatorilor TV incepatori sau avansati
morocanosul
Mester
Mesaje: 261
Membru din: Lun Mar 26, 2012 10:20 am

Cursa inversa cadre

Mesaj necitit de morocanosul »

Galactic 21G180: Acum aprox.3 ani,ecranul sa facut verde,a aparut cursa inversa cadre,nu mai reactiona la nicio comanda decat ON/OFF! Meseriasul care la rep. mia spus de ceva tranzistor??(nu mai stiu sigur,dar era vorba de ceva semiconductor,care se gaseste mai greu),ati putea sa-mi spuneti cam care ar fi fost cauza reala? Nu vrea sa spun ca nu a fost adevarat dar as fi curios sa stiu cam care ar fi fost cauza! Mai nou,se comporta bizar:2-3 sec.ecranul se face cenusiu,apare cursa inversa dupa care revine la normal tmpde 5-10 sec.si treaba se repeta. Dupa mai multe incercari ON/OFF acum merge dar macar sa stiu cam ce sa caut inainte sa se duca de tot!! Cand aparea fenomenul se auzea in interior niste pocnete(descarcari FIT?),nu erau continue,nu era vorba de fum,etc.Acum merge,dar ma astept la surprize(mai ales daca este weekend,imi trebuie ceva,toate mag. sunt inchise!).Am schema,am sa masor tensiunile dar daca merge e de presupus ca vor fi in parametri,nu? Pe ce ar trebui sa pun accentul?Mercy.
Avatar utilizator
PETRE
Site Admin
Mesaje: 4187
Membru din: Sâm Iun 18, 2011 8:38 pm

Re: Cursa inversa cadre

Mesaj necitit de PETRE »

Problema este pe placa finalilor video (cea de pe tub), incearca si rafa lipiturile. Daca sunt finali video BF422 acestia fac probleme si nu este relevanta masurarea cu aparatul pentru ca de multe ori dau bine dar sunt defecti.
Avatar utilizator
nicumicu
Electronist avansat
Mesaje: 438
Membru din: Mar Iun 12, 2012 10:41 am
Localitate: Bacau
Contact:

Re: Cursa inversa cadre

Mesaj necitit de nicumicu »

Salut,incepe prin curatarea placii de praf,observarea locurilor unde cablajul este incalzit ,refacerea lipiturilor,verificarea contactelor la mufe(in special la bobinele de deflexie)schimbarea condesatorilor umflati sau scursi+ce scrie mai sus.Succes.
dan-a2
Mester
Mesaje: 280
Membru din: Lun Oct 10, 2011 2:07 pm
Localitate: PH

Re: Cursa inversa cadre

Mesaj necitit de dan-a2 »

nicumicu scrie:Salut,schimbarea condesatorilor umflati sau scursi+ce scrie mai sus.Succes.
> dupa 3 ani sigur trebuie o cura de electrolitici la chinezariile astea !
morocanosul
Mester
Mesaje: 261
Membru din: Lun Mar 26, 2012 10:20 am

Re: Cursa inversa cadre

Mesaj necitit de morocanosul »

PT:ADMIN:Ai avut dreptate,am refacut lipiturile pe modulul video(acum nu mai exista fenomenul!) Acum,porneste GREU !! (acum este bine,25 sec.) Totusi are ceva probleme cu BH. de pornit,porneste sursa ,asigura 110 V,etc.dar ce sa fac atunci cand se opreste?? Am vrut sa spun,ca acum porneste dar in timpul care l-am precizat,merge,porneste mai greu,sursa,asigura tooate tensiunile,dar nu porneste BH!! Acum merge,dar nu am intervenit,daca nu stiu unde!! Cat timp merge,ce sa fac?? Mentionez:ACUM ora 21:08 minute,TV-ul,merge!! Daca are cineva o explicatie,sunt dispus sa o citesc!!Repet:am incercat,diverse,porniri/opriri ,dar dupa aprox.50 sec.porneste(acum) F.bine???(cald filamentul?). NOUTATI!!?
morocanosul
Mester
Mesaje: 261
Membru din: Lun Mar 26, 2012 10:20 am

Re: Cursa inversa cadre

Mesaj necitit de morocanosul »

Am urmat,sfaturile dvs.!! PROBLEMA mare este ca nu mai porneste TV-ul! ACUM este NOAPTE,dar maine CE facem??
morocanosul
Mester
Mesaje: 261
Membru din: Lun Mar 26, 2012 10:20 am

Re: Cursa inversa cadre

Mesaj necitit de morocanosul »

Deocamdata,merge! ASTEPT!!(orice idee,chiar trasnita sa fie)!!
morocanosul
Mester
Mesaje: 261
Membru din: Lun Mar 26, 2012 10:20 am

Re: Cursa inversa cadre

Mesaj necitit de morocanosul »

PT:nicumicu:Ce numiti Dvs.(schimbati electroliticii),din sursa,etc....!Asta inseamna ca am sa aflu defectul,cand am sa cumpar o punga cu electrolitici!!,Recunosc ca fara experienta,nu pot sa fac mare lucru,dar ,un pic de exp.tot mai am! NU detin ERS-metru,doar un multimetru ,banal,chinezesc!! Ce este de facut!!? Dupa aprox.3 ore,totul merge OK! (chiar credeam asta)!!Dupa cum se pare ,nu porneste BH,decat dupa aprox.1-3 min!! Acum am sa-l opresc,si peste (25 sec.)inca mai merge!! Acum un nou test,(PORNIT/OPRIT),de 10 ori!! Conteaza,telecomanda sau ????!! Desigur ca nu!! Ca sa nu mai deviem de la subiect! NU PORNESTE FIT-ul ,decat dupa 10-30 sec!! Aasa cum am spus,deocamdata,merge,dar ce saq verifc ulterior?
morocanosul
Mester
Mesaje: 261
Membru din: Lun Mar 26, 2012 10:20 am

Re: Cursa inversa cadre

Mesaj necitit de morocanosul »

Deocamdata,merge foarte bine,(ca un "ROLEX"-made in China) ,acum va rog sa-mi spuneti de ce porneste greu??Acum am sa-pornesc dupa aprox.2-4 min.,apare imaginea,totul este OK, Intrebarea mea este,ce se intampla in BH?? De ce are intarzierea aceasta la pornire(aprox.3-5 minute)! Deocamdata,fiind pornit,am sa-l las asa,ARE ROST SA-L REPORNESC,cu problemele de asociate?? DACA nu mai raspunde la rersuscitare??!Mercy.
Avatar utilizator
PETRE
Site Admin
Mesaje: 4187
Membru din: Sâm Iun 18, 2011 8:38 pm

Re: Cursa inversa cadre

Mesaj necitit de PETRE »

Fara ERS-metru este greu sa depistezi condensatorii cu pricina, in acest caz schimba-i pe toti in primarul si secundarul sursei.
morocanosul
Mester
Mesaje: 261
Membru din: Lun Mar 26, 2012 10:20 am

Re: Cursa inversa cadre

Mesaj necitit de morocanosul »

DE CE ?? Nu aceeptati ceea ce am postat?? Nu am folosit cuvinte obscene,incitare la ura,rasism,etc!!!!? ASTEPT un raspuns!!(PLAUZIBIL).DACA nu primesc un raspuns>ADIO!! Chiar imi pare rau!!!! Daca .....Nu mai conteaza!! DACA nu am inteles eu ceva,va rog sa-mi spuneti!! Probabil,am gresit eu cu ceva,dar acum nu pot sa-mi dau seama!! Stiu ca problemele personale(medicale) nu CONTEAZA!! Am cerut sprijin doar pt.a rezolva rahatul asta de chinezarie!! Sunt somer,fara bani,asa ca TREBUIE sa mai folosesc ceea ce mai pot!!(chinezaria TV)!! MULTUMESC!!
Avatar utilizator
PETRE
Site Admin
Mesaje: 4187
Membru din: Sâm Iun 18, 2011 8:38 pm

Re: Cursa inversa cadre

Mesaj necitit de PETRE »

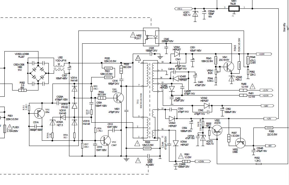
Cei mai suspecti ar putea fi: C551, C562, C554, C554B, C540A
Pentru binele tau era bine sa-i schimbi pe toti cei din imagine.
Fişiere ataşate
sursa galactic.JPG
Avatar utilizator
nicumicu
Electronist avansat
Mesaje: 438
Membru din: Mar Iun 12, 2012 10:41 am
Localitate: Bacau
Contact:

Re: Cursa inversa cadre

Mesaj necitit de nicumicu »

Salut , fara scule , aparate si piese de schimb mai greu se repara dar nu imposibil.Nu a-i venit cu masuratori ale tensiunilor (in diferite puncte) : imediat la cuplarea tensiunii,in stand-by ,apoi tensiunile masurate la darea comenzii de pornire si tensiunile masurate cand functioneaza normal .
Am spus :schimbarea condesatorilor umflati sau scursi .Deci nu a tuturor condesatorilor ,presupunand ca ceilalti vor fii verificati cel tarziu dupa masurarea tensiunilor dupa schema.
Noi nu stim in ce situatie e tv-ul respectiv ,decat daca ne comunici toate detaliile ,apoi ne spunem parerea.
morocanosul
Mester
Mesaje: 261
Membru din: Lun Mar 26, 2012 10:20 am

Re: Cursa inversa cadre

Mesaj necitit de morocanosul »

Am sa va dau cateva detalii: Am prins un moment cand aparea defectull! Am pe R546+110V,R480-13V,R481+15V,C562+25V,R557+12V,R561+11,5V teoretic(conform schemei) este in parametri!!! Dar are foarte mare timp de pornire!! (2-3minute)!!Acum,functioneaza,dar nici nu se manifesta defectul!! Cred ca problema provine din BH>pentru ca atunci cand se manifesta are tendinta sa se opreasca cu un trapez(vorbesc despre rastru).L-am desfacut am incercat sa vad chestia cu conzii,organoleptic se prezinta bine,acum merge,dar tot nu stiu ce naiba ma mai asteapta!! Asa cum am spus anterior,daca merge nu am ce sa mai masor! Am sa astept momentul decesului!! Totusi,daca puteti sa-mi dati o idee de ce porneste cu o asa mare intarziere? Mercy
Avatar utilizator
PETRE
Site Admin
Mesaje: 4187
Membru din: Sâm Iun 18, 2011 8:38 pm

Re: Cursa inversa cadre

Mesaj necitit de PETRE »

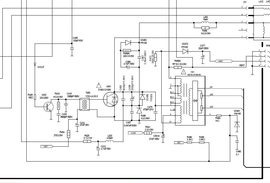
In continuare cred ca este un condensator devalorizat... va porni din ce in ce mai greu pana nu va mai porni deloc. Masoara acele tensiuni si cand este tv-ul rece.
Ar fi bine sa refaci si toate lipiturile in zona din imagine.
Fişiere ataşate
zona trafo.JPG
Scrie răspuns