cred ca intai inlocuiesc cond, din primarul sursei si maine vad daca se mai repeta !
TV HYUNDAI 20M14 TX silver
-
mariustefan
- Utilizator nou
- Mesaje: 69
- Membru din: Sâm Mar 17, 2012 9:17 am
TV HYUNDAI 20M14 TX silver
am un tv hyundai sasiu Z50.190-07 , si se manifesta ciudat, dupa ce il alimentam si dadeam on din telecomanda pornea liniile, dar cu capacul pus aveai impresia ca nu merg liniile, deci ecran negru, dupa o noua deconectare -conectare la retea, isi revenea la normal,ideea este ca dupa ce il lasam deconectat, povestea se repeta,dau capacul jos si dupa o zi il masor in timp ce alimentez,B+ este 180v,
in loc de 110v, automat ,am gasit tensiunea video 320v in loc de 180v, deci deaceea este ecranul negru, sa vad ce are sursa, banuiesc ca este defecta,daca cineva ma poate ajuta,astept,am si schema,daca doriti o postez!
cred ca intai inlocuiesc cond, din primarul sursei si maine vad daca se mai repeta !
cred ca intai inlocuiesc cond, din primarul sursei si maine vad daca se mai repeta !
Re: TV HYUNDAI 20M14 TX silver
Sper ca nu ai masurat tensiunile fata de masa sursei. Sunt pre mari si cred ca s-ar fi lasat cu pocnituri daca ar fi adevarat.
Dai finalul linii afara si pui bec de 60w intre colector si emitor, apoi "sapi" la sursa pana ai 110v pe bec (iei masa de pe selector).
Dai finalul linii afara si pui bec de 60w intre colector si emitor, apoi "sapi" la sursa pana ai 110v pe bec (iei masa de pe selector).
-
mariustefan
- Utilizator nou
- Mesaje: 69
- Membru din: Sâm Mar 17, 2012 9:17 am
Re: TV HYUNDAI 20M14 TX silver
nu , eu am masurat corect, fata de masa sasiu, mai exact am pus pe selector canale, si eu m-am mirat ca nu a pocnit!
am schimbat cei 2 cond. , unul de 1 micro si unul de 22 micro,functioneaza perfect, dar maine seara o sa vad daca sa rezolvat. banuiesc ca: daca maine seara se manifesta la fel , o sa schimb si tda 16846p.
am schimbat cei 2 cond. , unul de 1 micro si unul de 22 micro,functioneaza perfect, dar maine seara o sa vad daca sa rezolvat. banuiesc ca: daca maine seara se manifesta la fel , o sa schimb si tda 16846p.
-
mariustefan
- Utilizator nou
- Mesaje: 69
- Membru din: Sâm Mar 17, 2012 9:17 am
Re: TV HYUNDAI 20M14 TX silver
ADMIN scrie: Dai finalul linii afara si pui bec de 60w intre colector si emitor, apoi "sapi" la sursa pana ai 110v pe bec (iei masa de pe selector).
dupa cum am spus,e ciudat,dupa prima pornire am 180v pe B+,dupa care am 110volti, deci corect,
-
mariustefan
- Utilizator nou
- Mesaje: 69
- Membru din: Sâm Mar 17, 2012 9:17 am
Re: TV HYUNDAI 20M14 TX silver
nu mai inteleg nimic,acum am un nei 20mn4-4x,care se manifesta la fel, adica pleaca liniile dupa conectarea la retea, iar dupa o deconectare -conectare, intra in stand by,si tv functioneaza normal,
la hyundai,se pare ca ati avut dreptate ,tensiunile erau doar un pic mai mari,ce este identic la ambele tv-uri imagine neagra si pe katozi tubului am peste 160v, si in ambele cazuri nu primeste nicio comanda pana la o noua conectare de retea (deconectare/conectare).
sa fie procesor defect? sau vreun cond ceva ? adica eu nu inteleg de ce se aprinde filamentul tubului ,normal este la aceste tipuri tv sa intre in stand by, si dupa care ...sa functioneze
la hyundai,se pare ca ati avut dreptate ,tensiunile erau doar un pic mai mari,ce este identic la ambele tv-uri imagine neagra si pe katozi tubului am peste 160v, si in ambele cazuri nu primeste nicio comanda pana la o noua conectare de retea (deconectare/conectare).
sa fie procesor defect? sau vreun cond ceva ? adica eu nu inteleg de ce se aprinde filamentul tubului ,normal este la aceste tipuri tv sa intre in stand by, si dupa care ...sa functioneze
Re: TV HYUNDAI 20M14 TX silver
mariustefan scrie:am un tv hyundai sasiu Z50.190-07 , si se manifesta ciudat, dupa ce il alimentam si dadeam on din telecomanda pornea liniile, dar cu capacul pus aveai impresia ca nu merg liniile, deci ecran negru, dupa o noua deconectare -conectare la retea, isi revenea la normal,ideea este ca dupa ce il lasam deconectat, povestea se repeta,dau capacul jos si dupa o zi il masor in timp ce alimentez,B+ este 180v,in loc de 110v, automat ,am gasit tensiunea video 320v in loc de 180v, deci deaceea este ecranul negru, sa vad ce are sursa, banuiesc ca este defecta,daca cineva ma poate ajuta,astept,am si schema,daca doriti o postez!
cred ca intai inlocuiesc cond, din primarul sursei si maine vad daca se mai repeta !
320v tensiune video...hm,atunci cred ca ar fi crapat si ...tubul!!
Posibil sa aveti ceva intrerupere la MASA aparatului si se manifesta doar cind puneti capacul si strangeti sasiul !!!
Este legat firul de pe tk la masa??
Arbeit macht frei
-
mariustefan
- Utilizator nou
- Mesaje: 69
- Membru din: Sâm Mar 17, 2012 9:17 am
Re: TV HYUNDAI 20M14 TX silver
cred ca devine si mai complicat,dupa cca 4 zile fara sa il pornesc,acum ,dupa trei incercari ,pornit /oprit /pornit, imi cere sa setez limba , dupa care tara, dupa care apare un fel de autocautare,si apare procentul de la 0%,creste dupa ce ii dau startla 100% dupa care imaginea ramane cu lumina, contrastul, culoare ,la minim, si in partea stanga,lipsa doi centimetri si nu pot vedea nici ce este scris la menu,dupa ce duc lumina ,si contrastul spre maxim,se mai lumineaza,dar tot fond negru( gri),daca comut av/tv,nu se modifica,deci pureci nu apar,sau fond albastru.
o sa postez si o foto!
o sa postez si o foto!
- Fişiere ataşate
-
- Imag0107.jpg (104.54 KiB) Vizualizat de 6129 ori
Re: TV HYUNDAI 20M14 TX silver
Posibil o problema de soft. Pune aici cu ce componente principale este facut sa gasim un dump. Vezi regulile din chenarul negru din partea de sus a paginii!
-
mariustefan
- Utilizator nou
- Mesaje: 69
- Membru din: Sâm Mar 17, 2012 9:17 am
Re: TV HYUNDAI 20M14 TX silver
scuzati intarzierea dar,acest tv ,dupa ce i-am dat din nou capacul jos ,a pornit,functioneaza,cum pun capacul iar o ia razna,adica aceleasi simtome care le-am enumerat mai sus, ba cateodata sta doar ledul aprins si atat, probabil un smd ceva ,sau placa crapata,
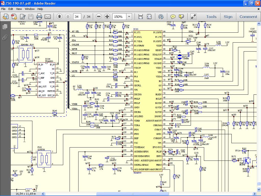
procesor ar fi TDA9345PS/N3, sa atasez si schema,
procesor ar fi TDA9345PS/N3, sa atasez si schema,
-
mariustefan
- Utilizator nou
- Mesaje: 69
- Membru din: Sâm Mar 17, 2012 9:17 am
Re: TV HYUNDAI 20M14 TX silver
acest defect a disparut dupa ce am refacut absolut toate lipiturile reci, am luat la rand tot ce este smd,in jurul procesorului,memoriei ,etc!
acum tv functioneaza , am postat dupa 50 de zile ,sa fiu sigur ca acest defect nu mai apare!
un an nou fericit!
la multi ani!
acum tv functioneaza , am postat dupa 50 de zile ,sa fiu sigur ca acest defect nu mai apare!
un an nou fericit!
la multi ani!