TV Samsung ,sasiu KS1A AA41

Comunitatea depanatorilor TV incepatori sau avansati
keno
Utilizator nou
Mesaje: 27
Membru din: Joi Aug 09, 2012 6:03 pm

TV Samsung ,sasiu KS1A AA41

Mesaj necitit de keno »

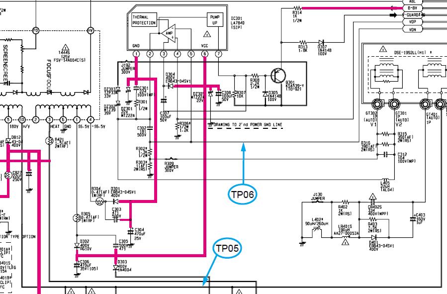
Tv functioneaza corect 5 min. ,dupa care jumatatea de jos a ecranului ,devine neagra,practic am imagine de la mijloc in sus.Schimbat LA 7840,refacut contacte ,rog o parere.Va multumesc.
Avatar utilizator
PETRE
Site Admin
Mesaje: 4187
Membru din: Sâm Iun 18, 2011 8:38 pm

Re: TV Samsung ,sasiu KS1A AA41

Mesaj necitit de PETRE »

Cel mai probabil probleme pe alimentarea cu -15v la pin 1....inlocuieste C304
Dupa care preventiv inlocuieste C306, C307.
Fişiere ataşate
ks1a cadre.JPG
Scrie răspuns