sasiu pc31a
-
servicemariusvad
- Utilizator nou
- Mesaje: 19
- Membru din: Mie Noi 20, 2013 4:30 pm
sasiu pc31a
buna, tv goldstar sasiu pc31a led rosu aprins scade luminozitatea led cand apesi on, apoi nimic nici un semn, am schimbat c404 si c808 am incercat un bec pe sursa si nimic, astept sfaturi, multumesc
Re: sasiu pc31a
Se aude releul cand dai ON?....verifica tensiunile in secundarul sursei, schimba electroliticii in primar si eventual in secundar pe tensiunea mai mica decat cea prevazuta.
-
servicemariusvad
- Utilizator nou
- Mesaje: 19
- Membru din: Mie Noi 20, 2013 4:30 pm
Re: sasiu pc31a
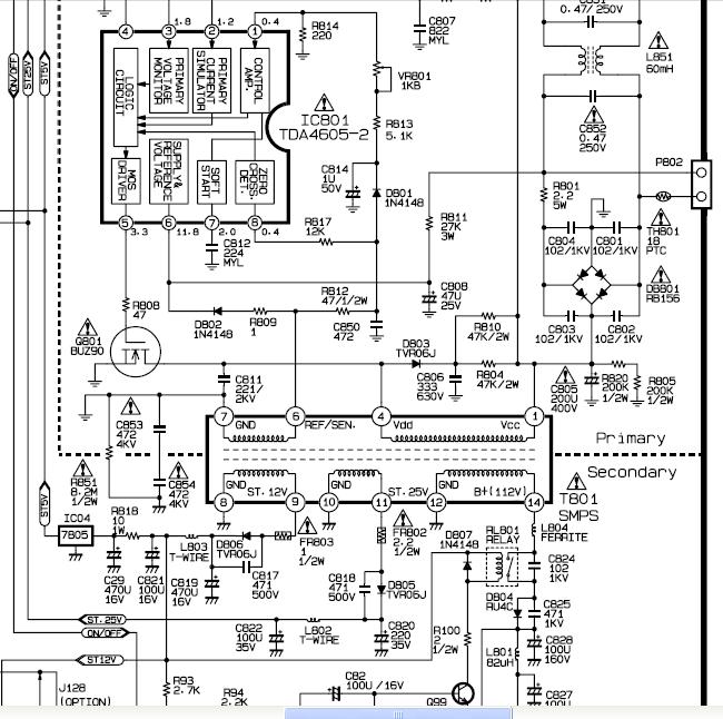
buna, am schimbat in primar si secundar, (c808,814,828) c827 nu il gasesc pe placa, releul se aude cand dai on dar apoi nici unn semn, ce sfat imi dati?
Re: sasiu pc31a
C827 este in secundar pe bara principala B+.....despre celelalte tensiuni din secundar ce poti spune? cum sunt? Daca nu masori nimic nu te putem ajuta.
-
servicemariusvad
- Utilizator nou
- Mesaje: 19
- Membru din: Mie Noi 20, 2013 4:30 pm
Re: sasiu pc31a
caut de mai bine de o ora si nu gasesc c827 
-
servicemariusvad
- Utilizator nou
- Mesaje: 19
- Membru din: Mie Noi 20, 2013 4:30 pm
Re: sasiu pc31a
tensiune in secundar este de 120v, unde ar trebui sa masor tensiunea si cat este normal sa fie, multumesc
Re: sasiu pc31a
Schimba C819, C820 poate ai noroc si porneste.....daca nu, du-l la service.....nivelul tau de cunostinte este 0 si nu se poate repara asa. Trebuia sa citesti aici inainte de a aplica in acest forum.
-
servicemariusvad
- Utilizator nou
- Mesaje: 19
- Membru din: Mie Noi 20, 2013 4:30 pm
Re: sasiu pc31a
admi- chiar daca este un capitolinchis din viata mea am sa scriu motivatia pt care ma aflu pe forum si pun atatea intrebari- 1998 terminat liceuldepanari radio tv. din 1998 am profesat in afara tari ca pilot de motoare dupa un accident anul trecut am pierdut memoria si ..... am revenit in romania in luna august am un mic atelier mai mult vin prieteni pt a imi aduce cate ceva la reparat am inceput din nou sa studiez de aceea am nevoie de voi
multumesc
multumesc
Re: sasiu pc31a
Chiar si asa eu am incercat sa te ajut..... trebuie sa o iei de la inceput cu montaje simple.
Re: sasiu pc31a
Totusi releul ramine cuplat dupa ''click''?!?! Sau doar cupleaza si apoi instant.... decupleaza???
Nu e chiar ...releul vinovat?!?!
Nu e chiar ...releul vinovat?!?!
Arbeit macht frei
- ANDRASONI
- moderator
- Mesaje: 1325
- Membru din: Mie Oct 12, 2011 11:33 am
- Localitate: CLUJ-NAPOCA
- Contact:
Re: sasiu pc31a
Refaceti cu atentie lipiturile de pe pinii releului(chiar daca vizual par bune), este defect tipic, de asemenea vedeti daca,,,contactele releului sunt OK.Succes!
"In timp ce faptele sunt rigide,adevarul este flexibil."Edward A.Murphy