samsung ck 5314 at

Comunitatea depanatorilor TV incepatori sau avansati
yonutzadrian
Utilizator nou
Mesaje: 92
Membru din: Dum Oct 27, 2013 7:31 pm

samsung ck 5314 at

Mesaj necitit de yonutzadrian »

Salut, am un tv samsung,cu sasiu p68,tv-ul porneste am sunet,si lipsa inalta,tensiunea pe U1 112v,final lnii 112v,sasiul contine,final linii s2055AF,jungla 8362,final cadre KA2131,trafu de linie prezinta fisuri in jurul semireglabelelor focus,screen,va rog imi puteti da niste sfaturi acestui defect? ms
Avatar utilizator
PETRE
Site Admin
Mesaje: 4187
Membru din: Sâm Iun 18, 2011 8:38 pm

Re: samsung ck 5314 at

Mesaj necitit de PETRE »

Nu ai sincroimpulsuri pentru finalul linii.....ar fi bun un osciloscop pentru a urmari semnalul.
yonutzadrian
Utilizator nou
Mesaje: 92
Membru din: Dum Oct 27, 2013 7:31 pm

Re: samsung ck 5314 at

Mesaj necitit de yonutzadrian »

tocmai domnu admin ,ca nu am osciloscop, ca sa urmaresc semnalul,am verificat pe traseu sa vad daca gasesc ceva defect,dar fara osciloscop este putin mai greu
yonutzadrian
Utilizator nou
Mesaje: 92
Membru din: Dum Oct 27, 2013 7:31 pm

Re: samsung ck 5314 at

Mesaj necitit de yonutzadrian »

domnu admin imi puteti da o ideie cam de unde ar putea fi ?
Avatar utilizator
PETRE
Site Admin
Mesaje: 4187
Membru din: Sâm Iun 18, 2011 8:38 pm

Re: samsung ck 5314 at

Mesaj necitit de PETRE »

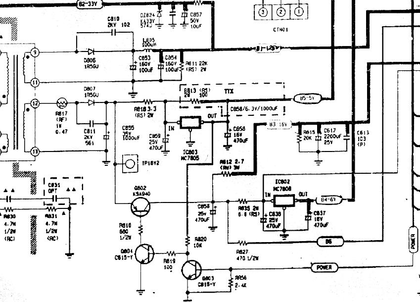
Vezi intai tensiunile produse de sursa...in special 16v, 8v si 5v.
sursa p68.JPG
Schema completa aici: http://www.fileshare.ro/e28913687 este o arhiva care contine alte trei....dezarhivezi tot ca sa poti vedea.
yonutzadrian
Utilizator nou
Mesaje: 92
Membru din: Dum Oct 27, 2013 7:31 pm

Re: samsung ck 5314 at

Mesaj necitit de yonutzadrian »

domnu admin, am verificat toate tensiunile din sursa, da exact ca pe schema,pe trafo linii difera,in loc de 180v am 127v,nustiu ce sa-i mai fac
Avatar utilizator
PETRE
Site Admin
Mesaje: 4187
Membru din: Sâm Iun 18, 2011 8:38 pm

Re: samsung ck 5314 at

Mesaj necitit de PETRE »

Cum sa ai 180v daca etajul final linii nu functioneaza?.....trebuie vazut de ce nu apar sincroimpulsurile. Verifica pe jungla TDA8362 la pinul 36 trebuie sa ai 8V......posibil sa trebuiasca inlocuita.
yonutzadrian
Utilizator nou
Mesaje: 92
Membru din: Dum Oct 27, 2013 7:31 pm

Re: samsung ck 5314 at

Mesaj necitit de yonutzadrian »

am verificat domnu admin,pe pinul 36 am tensiunea normala de 8v
Avatar utilizator
PETRE
Site Admin
Mesaje: 4187
Membru din: Sâm Iun 18, 2011 8:38 pm

Re: samsung ck 5314 at

Mesaj necitit de PETRE »

schimba tda8362
yonutzadrian
Utilizator nou
Mesaje: 92
Membru din: Dum Oct 27, 2013 7:31 pm

Re: samsung ck 5314 at

Mesaj necitit de yonutzadrian »

ok domnu admin,o sa schimb tda8362 si o sa revin cu noi informatii
Avatar utilizator
PETRE
Site Admin
Mesaje: 4187
Membru din: Sâm Iun 18, 2011 8:38 pm

Re: samsung ck 5314 at

Mesaj necitit de PETRE »

Sa pui tot TDA8362B.
Avatar utilizator
BUGHIU
Electronist avansat
Mesaje: 846
Membru din: Lun Noi 28, 2011 9:31 pm
Localitate: Oradea

Re: samsung ck 5314 at

Mesaj necitit de BUGHIU »

yonutzadrian scrie:tocmai domnu admin ,ca nu am osciloscop, ca sa urmaresc semnalul,am verificat pe traseu sa vad daca gasesc ceva defect,dar fara osciloscop este putin mai greu
Fara osciloscop ,deci fara sa vedeti impulsurile,le puteti ''asculta'' cu o casca ....!!!!
Decuplati baza la final linii si ''ascultati'' cu casca daca vin impulsuri !!
...sau in baza tranzistorului,in cazul in care exista impulsuri,trebuie sa aveti o tensiune NEGATIVA de 0,...ceva volti;neaparat NEGATIVA!!!
Arbeit macht frei
yonutzadrian
Utilizator nou
Mesaje: 92
Membru din: Dum Oct 27, 2013 7:31 pm

Re: samsung ck 5314 at

Mesaj necitit de yonutzadrian »

domnu admin,nu am gasit tda8362B,da am dat comanda si mai dureaza pana vine,intre timp am facut rost de osciloscop si am verificat daca imi vin impulusuri pe final de linii,pe final de linii imi vin impulsuri,poate sa fie trafu de linii domnu admin?
Avatar utilizator
BUGHIU
Electronist avansat
Mesaje: 846
Membru din: Lun Noi 28, 2011 9:31 pm
Localitate: Oradea

Re: samsung ck 5314 at

Mesaj necitit de BUGHIU »

Daca SIGUR aveti impulsuri linii in baza finalului....ar trebui sa aveti filamentul aprins la tub ,daca nu sant pene de contact in zona filamentului! Suplimentar,daca mariti screenul posibil sa apara o ...dunga orizontala sau rastru cu ,cursa inversa...!!!
Arbeit macht frei
Avatar utilizator
PETRE
Site Admin
Mesaje: 4187
Membru din: Sâm Iun 18, 2011 8:38 pm

Re: samsung ck 5314 at

Mesaj necitit de PETRE »

Daca ajung impulsuri inseamna ca nu este de vina TDA-ul....era buna o poza cu oscilograma. Inseamna ca ai ceva intreruperi in colectorul finalului linii, poate chiar finalul linii defect, infasurarea primara a trafo linii sau fisuri pe cablaj.
Scrie răspuns