Salutare,
Ma numesc Marius,
Detin un sistem (DVD) 5.1 Philips HTS5550/12 cu sursa LCP108080-001
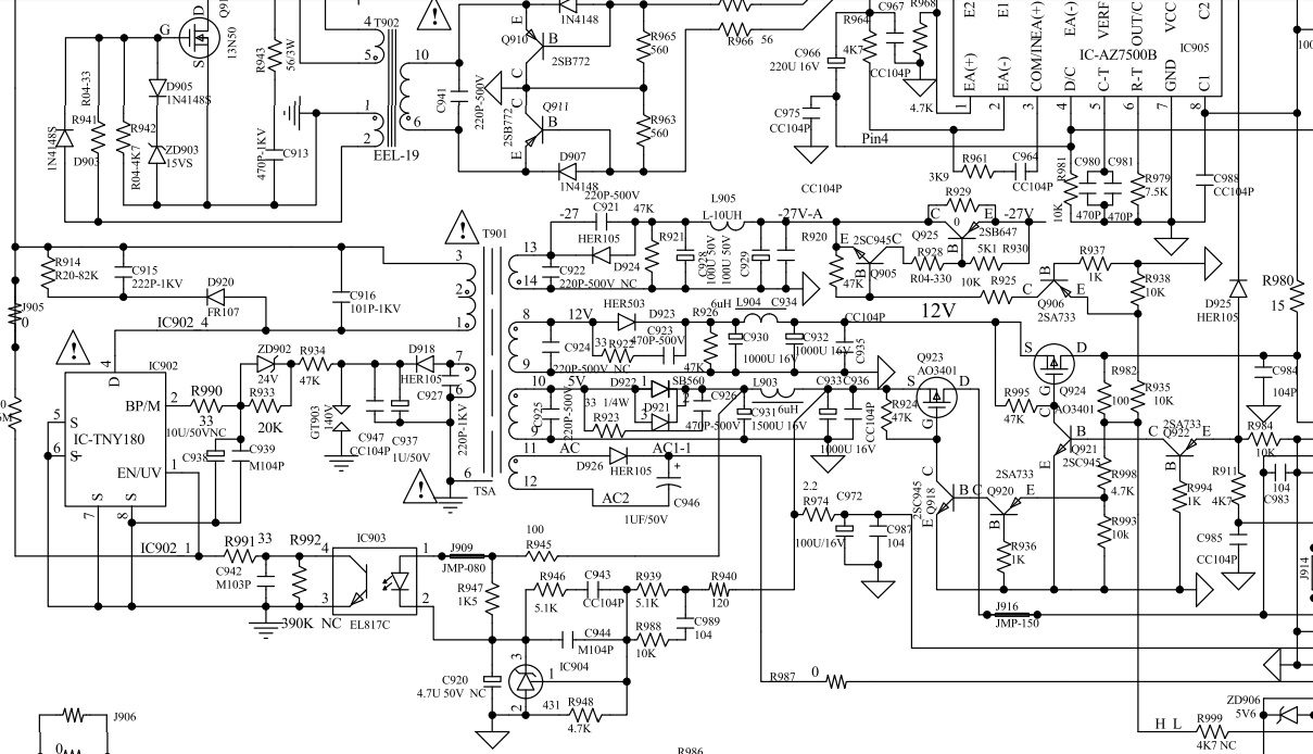
Schema aici: http://www.electronica-pt.com/esquema/f ... own/20262/La pagina 26 a PDF-ului se poate gasi schema sursei care deasemenea are probleme si nu reusesc sa ii dau de cap.
A sarit in sus pur si simplu in timp ce ascultam muzica la el. Am desfacut capacul si vizibil IC902 (TNY180) ars violent! Pe langa, D920 (FR107) in scurt, R914(100k) intrerupta. Am inlocuit TNY180 cu TNY268, am inlocuit R914, D920 am inlocuit FR1507 cu FR1504 si siguranta fuzibila de 6.3A. AM alimentat sistemul si BUM! La fel, IC902 a sarit in aer. Ma puteti ajuta cu ceva sfaturi?
Am incercat sa deconectez toate modulele din sursa am lasat conectat decat panoul de control cu ideea ca ar fi amplificatorul sau altceva in scurt si la fel. IC902 ars violent.
Multumesc!
Probleme Sursa Sistem Audio PHILIPS HTS5550/12
Re: Probleme Sursa Sistem Audio PHILIPS HTS5550/12
Puteai sa pui un print-screen sa nu fiu nevoit sa descarc un fisier urias.
Defectul este nasol...posibil infasurarea primara a trafului T901 este in scurt.
Defectul este nasol...posibil infasurarea primara a trafului T901 este in scurt.
Re: Probleme Sursa Sistem Audio PHILIPS HTS5550/12
Da scuze nu m-am gandit la print screen.
Am demontat deja T901, la fel cred si eu. Foarte greu de desfacut. Lipit bine iar miezul sigur crapa daca incerc sa il desfac.. Ma gandesc sa cumpar sursa cu totul dar nici asa nu o gasesc prea aproape.. Cu chooperul scos am 220v intre 1-3 ai trafului T901, cum il pun Pa IC902.. sare in cap.
Am demontat deja T901, la fel cred si eu. Foarte greu de desfacut. Lipit bine iar miezul sigur crapa daca incerc sa il desfac.. Ma gandesc sa cumpar sursa cu totul dar nici asa nu o gasesc prea aproape.. Cu chooperul scos am 220v intre 1-3 ai trafului T901, cum il pun Pa IC902.. sare in cap.
Re: Probleme Sursa Sistem Audio PHILIPS HTS5550/12
tensiunea trebuie sa fie peste 220 ca provine din redresarea retelei.. trebuie vazuta si puntea sa nu fie si urme de alternativ dupa redresare.. traful trebuie sa aiba ceva ohmi acolo.. poti vedea ce se intampla inlocuindu-l cu o rezistenta mai mare, 1k de ex.. C915 daca e in scurt iti baga autoinductia din primar pe dioda.. daca autoinductia e prea mare iti omoara dioda.. e posibil ca traful sa lucreze la saturatie si atunci autoinductia pe el poate fi mare.. trebuie sa intrerupi consumatorii din secundar si sa lasi unul simbolic de putere mititica pentru test..
-
djmaxxro2005
- Utilizator nou
- Mesaje: 1
- Membru din: Dum Oct 30, 2016 10:13 pm
Re: Probleme Sursa Sistem Audio PHILIPS HTS5550/12
Eu as verifica C916. Tny-urile nu prea "explodeaza", sunt foarte bine construite (exclus cazul cand sunt fake-uri). De asemenea vezi puntea redresoare principala sa nu fie in scurt, e posibil TNY-ul sa fi luat cu el cateva diode. Poti testa cu trafo scos din montaj? (ca sa elimini infasurare primara in scurt cel putin)
Re: Probleme Sursa Sistem Audio PHILIPS HTS5550/12
Eu nu cred ca este defect transformatorul. Masoara sau inlocuieste toate diodele de pe secundare. Nu le incerca cu un multimetru digital. Pot sa dea bine dar sa nu tina la tensiune. Toti electroliticii din secundare verificati. Toate diodele din secundare lasate cu un picior in aer. Numai D918 lasata caci alimenteaza integratul. Apoi pus un bec de 100W in serie cu priza si pornit. daca pe D918 este tensiune, sursa functioneaza si defectul trebuie cautat in secundare. Integratul luat de la un distribuitor autorizat nu porcarii gen muciarom care bubuie si mai strica si altceva pe acolo. Succese !.
Re: Probleme Sursa Sistem Audio PHILIPS HTS5550/12
O zi intreaga l-am muncit si am invartit T901 pe toate partile. Am conectat doar primarul si la fel am reusit intr-un final sa ard in jur de 4 TNY pana cand m-am uitat atent la datasheet si am observat gogomania facuta care mi-e si rusine sa o recunosc.
TNY180 nu se potriveste la pini cu TNY268 :)) daca nu casc ochii.. arunc bunatate de sursa sa nu o zic pe romaneste:)
Am montat TNY268 mai "tiganeste" pt ca nu am de unde sa imi procur un TNY180 din Alexandria doar prin comanda online.
Playerul functioneaza perfect. Am avut de invatat din aceasta experienta.
Va multumesc mult pentru sfaturi si va doresc o zi buna! Sper in viitor ca acest topic sa ajute si alte persoane si sa nu faca greseala pe care am facut-o eu. Pe IC daca scrie TNY nu inseamna ca sunt si identice :)
TNY180 nu se potriveste la pini cu TNY268 :)) daca nu casc ochii.. arunc bunatate de sursa sa nu o zic pe romaneste:)
Am montat TNY268 mai "tiganeste" pt ca nu am de unde sa imi procur un TNY180 din Alexandria doar prin comanda online.
Playerul functioneaza perfect. Am avut de invatat din aceasta experienta.
Va multumesc mult pentru sfaturi si va doresc o zi buna! Sper in viitor ca acest topic sa ajute si alte persoane si sa nu faca greseala pe care am facut-o eu. Pe IC daca scrie TNY nu inseamna ca sunt si identice :)