TV LCD ORION model TV32RN1 service manual

Comunitatea depanatorilor TV incepatori sau avansati
Avatar utilizator
ANDRASONI
moderator
Mesaje: 1325
Membru din: Mie Oct 12, 2011 11:33 am
Localitate: CLUJ-NAPOCA
Contact:

TV LCD ORION model TV32RN1 service manual

Mesaj necitit de ANDRASONI »

As avea nevoie de schema acestui tv, m-a ajutat un coleg cu schema placii sursa+invertor, am nevoie si de schema main board-ului care are codul CMF108A , mai scrie pe ea DB040-70303A, procesorul este VCT7993A1G100.Pe forumurle cunoscute nu am gasit-o. Va multumesc anticipat, de la Cluj, numai bine!
"In timp ce faptele sunt rigide,adevarul este flexibil."Edward A.Murphy
petre67

Re: TV LCD ORION model TV32RN1 service manual

Mesaj necitit de petre67 »

Nu gasesc nici eu nimic, de fapt ar fi ceva dar cere bani.
Dar ce face bolnavul?
Avatar utilizator
ANDRASONI
moderator
Mesaje: 1325
Membru din: Mie Oct 12, 2011 11:33 am
Localitate: CLUJ-NAPOCA
Contact:

Re: TV LCD ORION model TV32RN1 service manual

Mesaj necitit de ANDRASONI »

Pai "bolnavul" nu prea face mare lucru , nu am led-ul de st.by, desi pe placuta respectiva am 5V, pe placa cu tastatura am 3,3v, si pe placa de baza am cateva surse de 1,8 si3,3V care daca nu sunt alimentate nu prea au cum sa scoata tensiunile respective, mai am un 7805 smd care de asemenea nu este tensiune pe el. Am verificat fuzibilele smd , sunt OK, scurturi pe surse nu sunt, dar fara schema, cam greu..., mai ales ca si pe verso am o gramada de componente si dupa cum sunt conectate placile intre ele(inverter cu main board) cu panglica metalica, nu prea ai cum sa masori mare lucru decat daca ridici ambele placi simultan, si efectiv "faci cu nervii", Ce ma supara si mai tare este faptul ca am gasit schema, am printat ce ma interesa la momentul respectiv, insa nu am salvat-o, si nu imi mai aduc aminte unde am gasit-o. Mai sunt activ si pe forumul d-lui tavi, de la colegii de acolo am primit schema sursei+inverter( d-l techtronix), insa de acest model de ORION se pare ca nu s-a prea auzit. Deci d-l Petre ,cam asta este treaba...Multumesc pt raspuns, de la Cluj, numai bine!
"In timp ce faptele sunt rigide,adevarul este flexibil."Edward A.Murphy
petre67

Re: TV LCD ORION model TV32RN1 service manual

Mesaj necitit de petre67 »

Icearca fara memorie, daca apare led-ul iti trebuie un dump. Problema este ca nici dump nu am gasit astazi dar se poate incerca cu unul de la modele similare. Probabil este facut de beko?
Am avut un lcd odata (nu mai stiu modelul), nu se aprindea nici ledul, tensiunile perfecte toate. Pentru modelul respectiv am gasit dump-ul potrivit.
Avatar utilizator
ANDRASONI
moderator
Mesaje: 1325
Membru din: Mie Oct 12, 2011 11:33 am
Localitate: CLUJ-NAPOCA
Contact:

Re: TV LCD ORION model TV32RN1 service manual

Mesaj necitit de ANDRASONI »

Voi incerca fara memorie, acest sasiu se pare ca seamana cu ORION TV32082, am gasit ceva pe un site polonez( babel fish-ul traduce din toate limbile posibile, mai putin poloneza), din pacate am gasit doar un user manual, va multumesc pt raspuns, de la Cluj, numai bine!
"In timp ce faptele sunt rigide,adevarul este flexibil."Edward A.Murphy
GEORGICUUU
Utilizator nou
Mesaje: 6
Membru din: Mie Feb 01, 2012 10:11 pm

Re: TV LCD ORION model TV32RN1 service manual

Mesaj necitit de GEORGICUUU »

Deci acest tv mi-a scos fire de par alb, am aceeasi problema , nu apare ledul de st-by, pe sursa sunt ok, am tens. de st-by 5v am si pe procesor tensiunile de 3,3 si 1,8 v , nu am probleme pe magistrala SDA/SCL si totusi nu porneste nici macar in st-by. Eu din fericire cu greu am gsit schema care este in proportie de 99 % egala dar este de la un sharp. placile sunt identice din ce vad eu. Atasez schema in format pdf si va rog sa ne ajutati daca aveti idee.
Fişiere ataşate
LC-32AD5E-BK POWER CEF273A.rar
schema identica
(2.31 MiB) Descărcat de 533 ori
Avatar utilizator
PETRE
Site Admin
Mesaje: 4187
Membru din: Sâm Iun 18, 2011 8:38 pm

Re: TV LCD ORION model TV32RN1 service manual

Mesaj necitit de PETRE »

Incearca si cu o memorie goala. Daca se apride ledul iti trebuie un dump.
Incerca si posteaza rezultatul, mai vedem noi.
GEORGICUUU
Utilizator nou
Mesaje: 6
Membru din: Mie Feb 01, 2012 10:11 pm

Re: TV LCD ORION model TV32RN1 service manual

Mesaj necitit de GEORGICUUU »

nu am din pacate una goala. daca o scot pur si simplu nu e aceeasi treaba ?
Avatar utilizator
PETRE
Site Admin
Mesaje: 4187
Membru din: Sâm Iun 18, 2011 8:38 pm

Re: TV LCD ORION model TV32RN1 service manual

Mesaj necitit de PETRE »

Scoate-o si vezi ce face.
GEORGICUUU
Utilizator nou
Mesaje: 6
Membru din: Mie Feb 01, 2012 10:11 pm

Re: TV LCD ORION model TV32RN1 service manual

Mesaj necitit de GEORGICUUU »

AM SCOS MEMORIA SI NU FACE NIMIK ANIMALU', NICI MACAR SA APRINDA LEDUL DE ST/BY. CARE AR FI URMATORUL PAS?
Avatar utilizator
PETRE
Site Admin
Mesaje: 4187
Membru din: Sâm Iun 18, 2011 8:38 pm

Re: TV LCD ORION model TV32RN1 service manual

Mesaj necitit de PETRE »

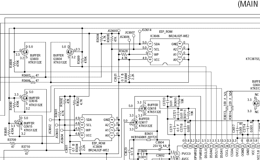
Dupa cate vad in schema bulangiu' are doua memorii, le-ai scos pe amandoua?
Fişiere ataşate
001.GIF
GEORGICUUU
Utilizator nou
Mesaje: 6
Membru din: Mie Feb 01, 2012 10:11 pm

Re: TV LCD ORION model TV32RN1 service manual

Mesaj necitit de GEORGICUUU »

CE-MI ARATATI DUMNEAVOASTRA SUNTA EEPROMURILE DE PE HDMI1 SI HDMI2 LA CARE MOMENTAN NU AJUNGEM DEOARECE NU AVEM LED DE ST-BY .
PROBLEMA MEA SE AFLA PE PROCESORUL PRINCIPAL AL PLACII DE BAZA CARE NU SE INITIALIZEAZA (PROBABIL) SI SE AFLA LA PAGINA 28, EEPROMUL DE CARE ZIC ESTE NOTAT CU IC 801.

DACA MA INSEL VA ROG SA MA SCUZATI !
Avatar utilizator
PETRE
Site Admin
Mesaje: 4187
Membru din: Sâm Iun 18, 2011 8:38 pm

Re: TV LCD ORION model TV32RN1 service manual

Mesaj necitit de PETRE »

Asa este, am tras un ochi repede pe schema si m-am pripit un pic, dar trebuie sa tinem cont ca au totusi un element comun, respectiv semnalele SDA-SCL. Eu le-as scoate totusi pe rand pentru o proba (ai grija sa nu le incurci).
Verifica si prezenta tensiunii RESET in pinul 8 procesor.
Deconecteza si SCA-SCL la selector.
Trebuie vazut daca procesorul se alimenteza bine la toti pinii.
Te rog nu mai scrie cu litere mari.
Succes.
GEORGICUUU
Utilizator nou
Mesaje: 6
Membru din: Mie Feb 01, 2012 10:11 pm

Re: TV LCD ORION model TV32RN1 service manual

Mesaj necitit de GEORGICUUU »

Am scos memorii si degeaba,am decuplat sda/scl de la tuner,hdmi,...am verificat tens. de reset si exista, am pus alta sursa de st/by si tot nu vrea sa faca nimic.Cred ca ma las pagubas, am ramas in pana de idei. Daca aveam quartz il schimbam si pe ala dar nu am si slabe sperante sa fie de la el deoarece vad ca are quartz de calitate.

Orice idee este binevenita !
petre67

Re: TV LCD ORION model TV32RN1 service manual

Mesaj necitit de petre67 »

Posibil procesorul afectat. Era bine de stiut daca prietenul ANDRASONI a reusit ceva, se pare ca defectele sunt identice.
Dar poate mai vine cineva cu ceva idei.
Scrie răspuns