tv sasiu 29M03

Comunitatea depanatorilor TV incepatori sau avansati
nelu59
Utilizator nou
Mesaje: 12
Membru din: Joi Feb 23, 2012 12:47 pm

tv sasiu 29M03

Mesaj necitit de nelu59 »

Ajutooor! Am un tv sasiu 29M03 care nu porneste;B1aprox. 33v pulsatoriu, B3 aprox. 55v pulsatoriu; masurat tot in alim. primar, schimbat optocup. Poate sa mai lovit cineva de acest defect. Va multumesc!
Avatar utilizator
PETRE
Site Admin
Mesaje: 4187
Membru din: Sâm Iun 18, 2011 8:38 pm

Re: tv sasiu 29M03

Mesaj necitit de PETRE »

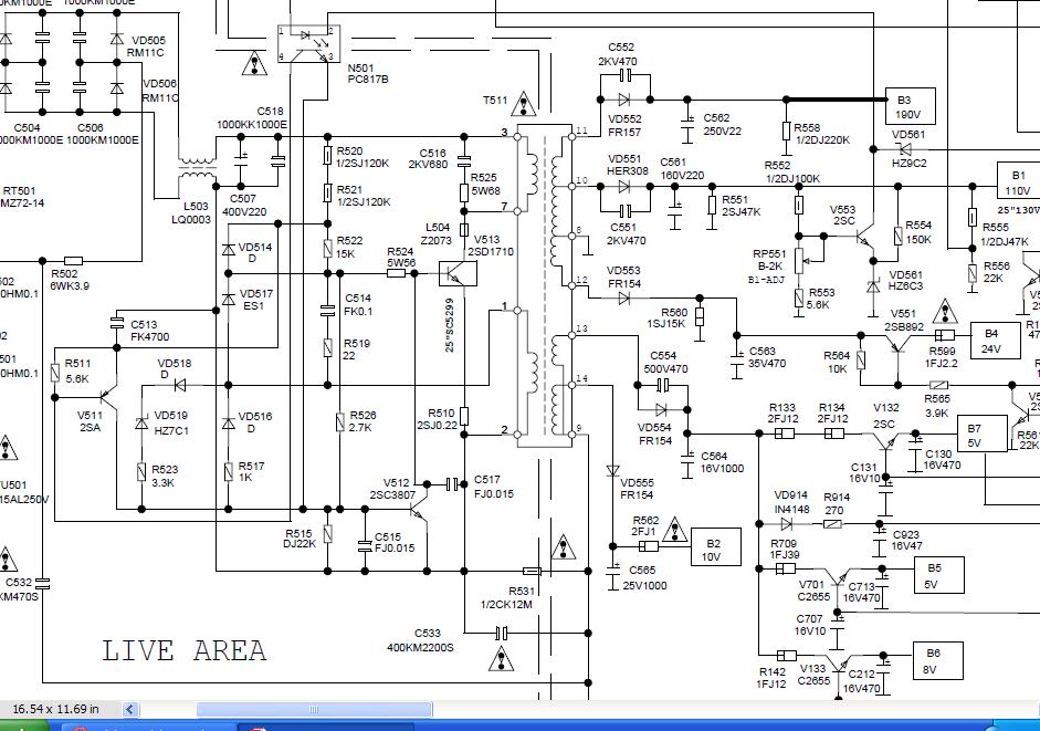
Schimba tranzistorul V511 (chiar daca da bine pe aparat)...pune A1013.....dupa care elimini finalul linii si pui bec de 60w in locul lui si vezi cat ai pe el.
atasez si schema completa.
Fişiere ataşate
China ch. 29M03 with M37160, M61260.pdf
(378.49 KiB) Descărcat de 223 ori
sursa.JPG
Avatar utilizator
ANDRASONI
moderator
Mesaje: 1325
Membru din: Mie Oct 12, 2011 11:33 am
Localitate: CLUJ-NAPOCA
Contact:

Re: tv sasiu 29M03

Mesaj necitit de ANDRASONI »

Vedeti si fltrajele de pe B+ si bineinteles tranzistorul final linii.De asemenea rezistentele de valori mari din bucla de reglaj a tensiunii precum si semireglabilul.Succes!
"In timp ce faptele sunt rigide,adevarul este flexibil."Edward A.Murphy
nelu59
Utilizator nou
Mesaje: 12
Membru din: Joi Feb 23, 2012 12:47 pm

Re: tv sasiu 29M03

Mesaj necitit de nelu59 »

S-a rezolvat; am gasit R553 (5k6) intrerupta. Am descoperit-o dupa ce am scos semireglabila RP551(2k), sub un strat de ceara de fixare a semiregl.Va multumesc din suflet pentru sfaturi! Va doresc un an plin de realizari!
Scrie răspuns