beko 12.5

Comunitatea depanatorilor TV incepatori sau avansati
chris9494
Utilizator nou
Mesaje: 61
Membru din: Mie Mar 26, 2014 9:19 am

beko 12.5

Mesaj necitit de chris9494 »

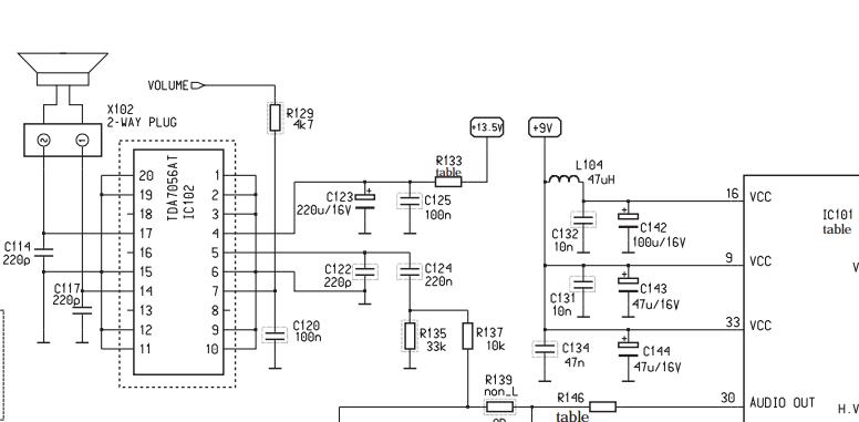
Buna ziua am o problema cu sasiul 12.2 beko,tv nu are sunet, tensiunea de alimentare ok,12v,m-am gandit ca ci sunet tda 7056a sa fie defect,as avea nevoie de niste ci echivalente , nu imi trebuie pin la pin,sau sfaturi in a remedia problema va multumesc.
Avatar utilizator
PETRE
Site Admin
Mesaje: 4187
Membru din: Sâm Iun 18, 2011 8:38 pm

Re: beko 12.5

Mesaj necitit de PETRE »

TDA7056A are si reglaj de volum incorporat....nu are echivalent
chris9494
Utilizator nou
Mesaje: 61
Membru din: Mie Mar 26, 2014 9:19 am

Re: beko 12.5

Mesaj necitit de chris9494 »

singura solutie ar fi inlocuirea sa sa inteleg?
Avatar utilizator
PETRE
Site Admin
Mesaje: 4187
Membru din: Sâm Iun 18, 2011 8:38 pm

Re: beko 12.5

Mesaj necitit de PETRE »

verifica daca finalul se alimenteaza la pinul 4
verifica daca tensiunea de la pinul 7 se modifica atunci cand reglezi volumul
verifica cu osciloscopul daca ai semnal audio la pinul 5
abia dupa aceea il inlocuiesti
aidio 12.5.JPG
atasez si service manualul complet
Fişiere ataşate
beko_tv_12.4-12.5.pdf
(3.34 MiB) Descărcat de 294 ori
chris9494
Utilizator nou
Mesaje: 61
Membru din: Mie Mar 26, 2014 9:19 am

Re: beko 12.5

Mesaj necitit de chris9494 »

va multumesc pentru ajutor ci defect
Scrie răspuns