philips sasiu L01.2E-AA

Comunitatea depanatorilor TV incepatori sau avansati
dan-a2
Mester
Mesaje: 280
Membru din: Lun Oct 10, 2011 2:07 pm
Localitate: PH

philips sasiu L01.2E-AA

Mesaj necitit de dan-a2 »

Sursa scoate pe bara 95v cam 70volti in gol iar in sarcina pe bec scade la 5,6 volti --- pe bara de 13 v >cam 6 volti
Am schimbat fetul ,integratul ,opto, - cond. > ledul se aprinde mai slab si parca fileaza un pic !!

Va rog un sfat !!
Avatar utilizator
PETRE
Site Admin
Mesaje: 4187
Membru din: Sâm Iun 18, 2011 8:38 pm

Re: philips sasiu L01.2E-AA

Mesaj necitit de PETRE »

Fetul a fost ars? Verifica tot in jurul lui.
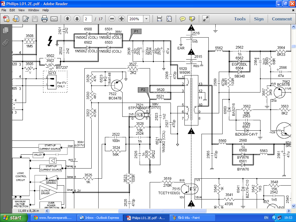
Schema este atasata.
Fişiere ataşate
l01.2.PNG
Phplips L01.2E.rar
(854.04 KiB) Descărcat de 301 ori
dan-a2
Mester
Mesaje: 280
Membru din: Lun Oct 10, 2011 2:07 pm
Localitate: PH

Re: philips sasiu L01.2E-AA

Mesaj necitit de dan-a2 »

Nu a fost ars fetul , tv a venit cu acest defect >piesele au fost schimbate de proba ! -cond. schimbate cu unele noi iar restul dupa un sasiu functional !
Avatar utilizator
PETRE
Site Admin
Mesaje: 4187
Membru din: Sâm Iun 18, 2011 8:38 pm

Re: philips sasiu L01.2E-AA

Mesaj necitit de PETRE »

Cam greu acest defect, sursa nu tine in sarcina. Eu as verifica prima data rezistenta 3526 din sursa FET-ului (sa nu fie devalorizata), deasemeni trebuie sa avem 380v in pin 1 trafo Cloper.
Trebuie verificata si comanda optocuplorului. Pune bec si verifica, la acest sasiu este mai simplu deoarece sunt date in schema tensiunile pe toti tranzistorii.
dan-a2
Mester
Mesaje: 280
Membru din: Lun Oct 10, 2011 2:07 pm
Localitate: PH

Re: philips sasiu L01.2E-AA

Mesaj necitit de dan-a2 »

ADMIN scrie:Cam greu acest defect, sursa nu tine in sarcina. Eu as verifica prima data rezistenta 3526 din sursa FET-ului (sa nu fie devalorizata), deasemeni trebuie sa avem 380v in pin 1 trafo Cloper.
Trebuie verificata si comanda optocuplorului. Pune bec si verifica, la acest sasiu este mai simplu deoarece sunt date in schema tensiunile pe toti tranzistorii.
Totusi nu inteleg cu cei 380v > nu cumva este o greseala ?
Avatar utilizator
PETRE
Site Admin
Mesaje: 4187
Membru din: Sâm Iun 18, 2011 8:38 pm

Re: philips sasiu L01.2E-AA

Mesaj necitit de PETRE »

Da, scuze, trebuia scris 280V.
dan-a2
Mester
Mesaje: 280
Membru din: Lun Oct 10, 2011 2:07 pm
Localitate: PH

Re: philips sasiu L01.2E-AA

Mesaj necitit de dan-a2 »

ADMIN scrie:Da, scuze, trebuia scris 280V.
Nu e nevoie de scuze : asa scrie si pe schema !
Avatar utilizator
PETRE
Site Admin
Mesaje: 4187
Membru din: Sâm Iun 18, 2011 8:38 pm

Re: philips sasiu L01.2E-AA

Mesaj necitit de PETRE »

Trebuie sa ai cam 300V in sarcina.
Scrie răspuns